SKF61892MA轴承详细参数

发布时间:2026-04-15
深沟球轴承, 单列, 无密封件
主要数据尺寸 基本负荷额定值 疲劳负荷限值 额定速度 体积 型号
动态 静态 参照速度 限制速度
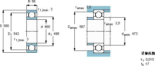
d D B C C0 Pu
mm kN kN r/min kg -
4605805631957010,62000160035,061892 MA

SKF61892MA深沟球轴承供应商

八零动力专业销售61892MA深沟球轴承,库存SKF61892MA大量现货,与SKF合作,咨询热线:022-58519723业务咨询
SKF61892MA它的可靠性,赢得了无数工程师的信任 它的耐高温性能,减少了冷却系统的能耗 先进的制造工艺,让这款轴承的性能更加稳定可靠为您的设备保驾护航,让机械运转无忧该轴承的性能优越,极大地提高了设备的工作效率它的高可靠性,减少了设备停机时间 ,八零动力SKF深沟球轴承品种全,价格优,质量有保证!

用户关注最多的SKF轴承型号

SKF3209A-2RS SKF51272F SKF6026-RS1* SKF7008ACD/HCP4A SKF71912CD/HCP4A SKF7201ACD/HCP4A SKF7209CD/P4A SKF81148 SKFBT2B440301 SKFC71922DB/P7 SKFCR40X62X7HMS5RG SKFFYM2.3/16TF/AH SKFHM88542/2/510/2/QCL7C SKFN1011KTNHA/SP SKFQJ309N2PHAS*

61892MA深沟球轴承近似的SKF轴承型号

SKF61892MA SKF61892 SKF61892MA SKF61892MA SKF61896

用户关注最多的轴承狗热门型号

LYC  618/800 SKF  CR99313 KOYO  3780/32 SNR  7300C/DT SKF  594/592A/Q SKF  1319K MRC  7210AC/DT FAG  VRE305-D 国产  NJ208M BARDEN  71920C STEYR  53409 DKF  7321B/DT SKF  OKC620 STEYR  6313-Z IKO  POS5EC

版权所有©2009-2015 轴承狗zcgou.com ICP备案:津ICP备14004550号-13