SKF61813-2RS1轴承详细参数

发布时间:2026-04-15
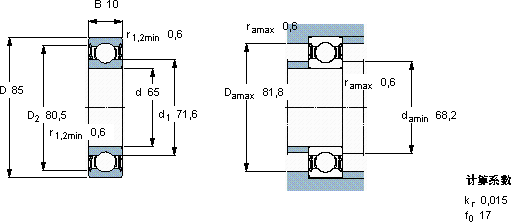
深沟球轴承, 单列, 两面密封件
主要数据尺寸 基本负荷额定值 疲劳负荷限值 额定速度 体积 型号
动态 静态 参照速度 限制速度
d D B C C0 Pu
mm kN kN r/min kg -
65851012,412,70,54-45000,1361813-2RS1

SKF61813-2RS1深沟球轴承供应商

八零动力专业销售61813-2RS1深沟球轴承,库存SKF61813-2RS1大量现货,与SKF合作,咨询热线:022-58519723业务咨询
SKF61813-2RS1品质卓越的它,在各种工况下都能展现出优异的性能精密与耐用的完美结合,高品质的轴承,在各种复杂工况下都能展现出卓越的性能表现它的密封性能,完美抵御灰尘和杂质的侵袭 该轴承的性能出色,有效提升了机械设备的整体性能设计合理、性能优良的它,是机械设备实现高效运行的重要保障,八零动力SKF深沟球轴承品种全,价格优,质量有保证!

用户关注最多的SKF轴承型号

SKF21318EK* SKF2x7204BEGAP* SKF2x7307BECBY SKF51292F SKF7311B/DB SKFCR1950211 SKFCR32x52x8CRW1V SKFCR400600 SKFFYR3.11/16-18 SKFNN3036K/W33 SKFNU18/750MA SKFQJ1252N2MA SKFSAL60TXE-2LS SKFSNW26x4.7/16 SKFT2DD065/Q

61813-2RS1深沟球轴承近似的SKF轴承型号

SKF61813-2RS1 SKF61813-RZ SKF61813-2RZ SKF61813-RS SKF61813 SKF61813-2RS SKF61813-2RS SKF61813-2RZ

用户关注最多的轴承狗热门型号

KOYO  NN3044K NSK  40BER20XV1V SKF  SDAF23168KAx12.7/16 LYC  6308 EN/C3 DKF  7207B/DB SKF  22216EK+H316* NTN  230/530BK FAG  SNV110-L + 2310-K-TVH-C3 + H2310X110 + TCV610X110 SNR  30203 NSK  239/500CAKE4 STEYR  7201B/DB TIMKEN  TTU-85-30 KOYO  6922ZZ NTN  7310C/DF IKO  CH20VBUU

版权所有©2009-2015 轴承狗zcgou.com ICP备案:津ICP备14004550号-13