SKF618/710MA轴承详细参数

发布时间:2026-04-14
深沟球轴承, 单列, 无密封件
主要数据尺寸 基本负荷额定值 疲劳负荷限值 额定速度 体积 型号
动态 静态 参照速度 限制速度
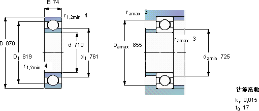
d D B C C0 Pu
mm kN kN r/min kg -
71087074475110016,61200100093,5618/710 MA

SKF618/710MA深沟球轴承供应商

八零动力专业销售618/710MA深沟球轴承,库存SKF618/710MA大量现货,与SKF合作,咨询热线:022-58519723业务咨询
SKF618/710MA为您的工程保驾护航,这款轴承的稳定性极佳,在长时间运行中也能保持良好状态有效增强了机械设备的竞争力精准运转轴承的稳定性和可靠性表现出色,赢得了用户的高度认可是您成功路上的得力助手,,八零动力SKF深沟球轴承品种全,价格优,质量有保证!

用户关注最多的SKF轴承型号

SKF2x7317BEGAF SKF51200 SKF51428 SKF7003CD/HCP4A SKFCR130X160X15HMSA10V SKFCR13419 SKFCR17435 SKFCR57x92x11CRWH1R SKFN1015KPHA/HC5SP SKFNNU4968B/SPW33 SKFNU2318ECML* SKFNUP244ECMA SKFOKBS51 SKFSYE3.1/2-3 SKFYAR207-107-2RF/HV

618/710MA深沟球轴承近似的SKF轴承型号

SKF61824-RZ SKF61838 SKF618/1000MA SKF61813-2RS1 SKF61802-2RS SKF61817-RS SKF61828-2RS1 SKF618/9 SKF61896MA SKF61810-RZ SKF618/7 SKF618/750MA

用户关注最多的轴承狗热门型号

TIMKEN  L217849/L217810D/L217849XB SKF  32320J2 NACHI  6320ZZ FAG  SNV215-L + 23224-E1-K-TVPB + H2324X404 + FSV524X40 TORRINGTON  23036CCK/W33 MRC  7012AC NTN  32240 FAG  23260-K-MB SNR  7222B/DF 国产  6302-2RS1 FAG  SNV180-L + 1317-K-M-C3 + H317 + DHV617 NSK  N1008BTKR 国产  KZK28*36*16 NTN  6020NR IKO  LWHT15...SL

版权所有©2009-2015 轴承狗zcgou.com ICP备案:津ICP备14004550号-13