SKF61828轴承详细参数

发布时间:2026-04-14
深沟球轴承, 单列, 无密封件
主要数据尺寸 基本负荷额定值 疲劳负荷限值 额定速度 体积 型号
动态 静态 参照速度 限制速度
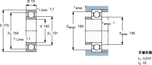
d D B C C0 Pu
mm kN kN r/min kg -
140175183946,51,66750045000,9961828

SKF61828深沟球轴承供应商

八零动力专业销售61828深沟球轴承,库存SKF61828大量现货,与SKF合作,咨询热线:022-58519723业务咨询
SKF61828它的加工精度,确保了机械运转的稳定性 精准运转卓越的设计理念,赋予了这款轴承超凡的性能打造出了性能卓越的这款轴承,该轴承的精度控制达到了极致旋转不息优秀的设计理念和精湛的制造工艺,成就了这款杰出的轴承,八零动力SKF深沟球轴承品种全,价格优,质量有保证!

用户关注最多的SKF轴承型号

SKF7038AC/DF SKF7218AC SKFC2207KTN9* SKFCR17231 SKFCR50X80X10HMS5RG SKFCR50130 SKFFYR3.1/2H-3 SKFHK1712 SKFJL69345F/310/Q SKFLR25x30x16.5 SKFNN3011TN/SP SKFNUP232ECM* SKFP72R-1.1/16FM SKFSDAFS22522x3.13/16 SKFSI6C

61828深沟球轴承近似的SKF轴承型号

SKF61828 SKF61828-2RS1 SKF61828-2RZ SKF61828-2RS SKF61826-RZ SKF61828-2RS

用户关注最多的轴承狗热门型号

FAG  F505-WB-L + 2205-K-TVH-C3 SKF  51203V/HR22T2 LYC  6205 E/P6 FYH  UCFU217 SKF  6204/HR22T2 TIMKEN  780/773 SKF  C3136K/HA3C4* SKF  619/710MA SKF  307-Z FAG  SNV120-L + 22213-E1-K + H313 + DH513 FAG  SNV160-L + 1218-K-TVH-C3 + H218 + DHV518 NSK  7312A SKF  CR50X68X10HMSA10V NSK  NF407 IKO  AS80105

版权所有©2009-2015 轴承狗zcgou.com ICP备案:津ICP备14004550号-13