SKF618/7轴承详细参数

发布时间:2026-04-14
深沟球轴承, 单列, 无密封件
主要数据尺寸 基本负荷额定值 疲劳负荷限值 额定速度 体积 型号
动态 静态 参照速度 限制速度
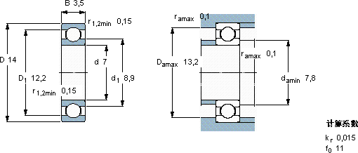
d D B C C0 Pu
mm kN kN r/min kg -
7143,50,9560,40,017100000630000,0022618/7

SKF618/7深沟球轴承供应商

八零动力专业销售618/7深沟球轴承,库存SKF618/7大量现货,与SKF合作,咨询热线:022-58519723业务咨询
SKF618/7它的滚动体与沟槽的配合,堪称完美 轴承的耐用性极佳,能够承受高强度的工作负荷它的耐用性,让人惊叹不已 轴承的精度和稳定性都达到了行业顶尖水平它的旋转精度,让高速运转成为现实 卓越的设计理念,赋予了这款轴承超凡的性能,八零动力SKF深沟球轴承品种全,价格优,质量有保证!

用户关注最多的SKF轴承型号

SKF22240CCK/W33+AH2240* SKF23968CCK/W33+OH3968H* SKF315268BC SKF6204-RZ SKF6210-Z* SKF6222-2Z* SKF7209C/DB SKFALS32ABP SKFCR590270 SKFCR6225 SKFCR99328 SKFNJ211ECP SKFNU260MA SKFOH3152H SKFYAR212-203-2F/AH

618/7深沟球轴承近似的SKF轴承型号

SKF61813 SKF618/1320MA SKF61812 SKF61822-RS SKF61828-2RS1 SKF61821-2RS1 SKF61800-2RS SKF618/500 SKF61820-2RS SKF61864MA SKF618/670TN SKF618/710MA

用户关注最多的轴承狗热门型号

TIMKEN  K16X20X17F NACHI  M12649/M12610 SKF  23296CAK/W33+AOHX3296G* FAG  SNV170-L + 222SM85-TVPA + FSV519 RHP  7217B/DB RHP  71914C SKF  SIL35ES-2RS 国产  22317CM NSK  85BNR20HV1V LYC  AK30214 国产  51202 LYC  NJ 260 国产  2321M LYC  011.40.1000.12 LYC  B 7006 C/P4

版权所有©2009-2015 轴承狗zcgou.com ICP备案:津ICP备14004550号-13