SKF61803-2RZ轴承详细参数

发布时间:2026-04-15
深沟球轴承, 单列, 低摩擦两面密封件
主要数据尺寸 基本负荷额定值 疲劳负荷限值 额定速度 体积 型号
动态 静态 参照速度 限制速度
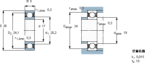
d D B C C0 Pu
mm kN kN r/min kg -
172651,680,930,03956000280000,008261803-2RZ

SKF61803-2RZ深沟球轴承供应商

八零动力专业销售61803-2RZ深沟球轴承,库存SKF61803-2RZ大量现货,与SKF合作,咨询热线:022-58519723业务咨询
SKF61803-2RZ它的质量可靠,是众多机械设备制造商的首选配件它的高效率,让机械运转更加节能 轴承的性能可靠,为机械设备的稳定运行立下汗马功劳它的耐用性,赢得了无数用户的信赖 它的抗冲击性能,让它经得起各种考验 精湛的制造工艺赋予了这款轴承卓越的性能和品质 ,八零动力SKF深沟球轴承品种全,价格优,质量有保证!

用户关注最多的SKF轴承型号

SKF22228-2CS5/VT143* SKF30320 SKF61800-2RZ SKF6203/VA201 SKF7007AC/DF SKFBT4B328838BG/HA1VA902* SKFCR14X28X7HMSA10V SKFCR29465 SKFCR400651 SKFCR4350565 SKFCR80038 SKFNJ215E+HJ215E SKFNU2217E SKFS7011CD/HCP4A SKFSYE1.7/16H-18

61803-2RZ深沟球轴承近似的SKF轴承型号

SKF61803-2RS1 SKF61803-2RS SKF61803-2Z SKF61803-2RZ SKFW61803-2Z SKF61803-RZ SKF61803-RS SKF61803 SKF61803-2RS1 SKF61803-2Z

用户关注最多的轴承狗热门型号

STEYR  N219 INA  ZLE5207-2Z 国产  2304 SKF  81116TN SKF  NJG2320VH FLT  NJ408 国产  NK25/20 FAG  LOE620-N-AL-L NSK  F694 FAG  B7016-E-T-P4S TIMKEN  25132/25289D+X1S-25132 SKF  TU13/16FM NTN  NN3005 SKF  1207ETN9 GMN  7234C/DT

版权所有©2009-2015 轴承狗zcgou.com ICP备案:津ICP备14004550号-13