SKF618/670MA轴承详细参数

发布时间:2026-05-30
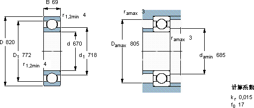
深沟球轴承, 单列, 无密封件
主要数据尺寸 基本负荷额定值 疲劳负荷限值 额定速度 体积 型号
动态 静态 参照速度 限制速度
d D B C C0 Pu
mm kN kN r/min kg -
67082069442100015,61300110083,5618/670 MA

SKF618/670MA深沟球轴承供应商

八零动力专业销售618/670MA深沟球轴承,库存SKF618/670MA大量现货,与SKF合作,咨询热线:022-58519723业务咨询
SKF618/670MA制造工艺精湛,使得这款轴承的精度和稳定性都非常出色它在船舶工业中的应用,展现了它的耐腐蚀性 它的故障率极低,确保了设备的稳定运行 轴承的稳定性和可靠性表现卓越,赢得了广泛赞誉是您设备高效运转的可靠伙伴,轴承的耐用性超乎想象,有效降低了设备的维护成本,八零动力SKF深沟球轴承品种全,价格优,质量有保证!

用户关注最多的SKF轴承型号

SKF1204 SKF23084CA/W33 SKF241/530ECAK30/W33+AOH241/530G* SKF591/670F SKF7019CD/HCP4A SKF71821CD/HCP4A SKFCR105x130x12CRW1V SKFCR36363 SKFCR99098 SKFNU2312ECP* SKFNUP218ECM* SKFNUP2319ECML* SKFNX15Z SKFP47R-5/8FM SKFSAW23536X6.3/8

618/670MA深沟球轴承近似的SKF轴承型号

SKF61826-2RS SKF61815 SKF61824-RS SKF61813 SKF618/1700MB SKF61820-2RS SKF61807-RS SKF61808-RZ SKFW618/2 SKF61800-2Z SKF618/630MA SKF618/670TN

用户关注最多的轴承狗热门型号

INA  LFS25-N SNR  51213 国产  NAOL4971X3 NTN  NJ217 国产  3932M-2KDCM SKF  7415BGAM TIMKEN  482/472A SKF  SY25TF/VA228 SNR  7018AC SKF  NUP222ECML* SKF  KMFE7 ZKL  7312B/DT TIMKEN  7201K SKF  7222BEM NTN  NUP312

版权所有©2009-2015 轴承狗zcgou.com ICP备案:津ICP备14004550号-13