SKF618/630MA轴承详细参数

发布时间:2026-04-15
深沟球轴承, 单列, 无密封件
主要数据尺寸 基本负荷额定值 疲劳负荷限值 额定速度 体积 型号
动态 静态 参照速度 限制速度
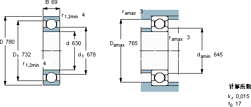
d D B C C0 Pu
mm kN kN r/min kg -
6307806944296515,31400110073,0618/630 MA

SKF618/630MA深沟球轴承供应商

八零动力专业销售618/630MA深沟球轴承,库存SKF618/630MA大量现货,与SKF合作,咨询热线:022-58519723业务咨询
SKF618/630MA它的润滑技术,减少了润滑剂的使用 它的加工设备,代表了世界领先水平 为您的机械提供持久动力,为您创造更多可能,性能优越的轴承,极大地提升了设备的工作性能和效率它的耐用性,赢得了无数用户的信赖 ,八零动力SKF深沟球轴承品种全,价格优,质量有保证!

用户关注最多的SKF轴承型号

SKF59184F SKF6210-2Z/VA208 SKF6356M SKF7205C SKF71824ACD/P4 SKFBT4B331977E/C725* SKFC2315K+AHX2315G* SKFC3044K/HA3C4* SKFFYJ50KF SKFHE2313 SKFKMT20 SKFL45449/410/Q SKFRPNA15/28 SKFSY1.15/16RM SKFYEL203-008-2FCW

618/630MA深沟球轴承近似的SKF轴承型号

SKF618/710MA SKF61801-RZ SKF618/530 SKF61803-2RS1 SKF61811-2RZ SKF618/1120MA SKF61807-RZ SKF61813-RS SKFW618/4 SKF61818-2RZ SKF618/600MA SKF618/670MA

用户关注最多的轴承狗热门型号

SKF  232/530CAK/W33+AOH32/530G SKF  22320EK* FAG  SNV250-L + 23228-E1-TVPB + TSV228 TIMKEN  478/472D SKF  71922ACE/P4A TIMKEN  L281146/L281110 FAG  SNV160-L + 22218-E1-K + H318 + TSV518 SKF  BT4B328294/HA1 LYC  23152 CA SKF  W36 SKF  SY1.3/4TF/VA201 国产  6300-NR KOYO  22317RHR 国产  7319C IKO  TA5530Z

版权所有©2009-2015 轴承狗zcgou.com ICP备案:津ICP备14004550号-13