SKF61800-2Z轴承详细参数

发布时间:2026-05-30
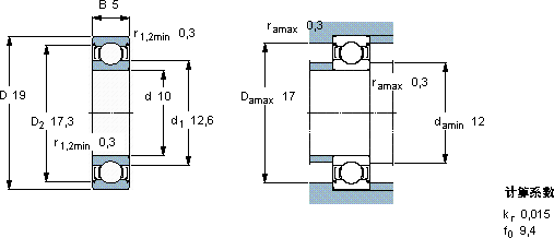
深沟球轴承, 单列, 两面防尘罩
主要数据尺寸 基本负荷额定值 疲劳负荷限值 额定速度 体积 型号
动态 静态 参照速度 限制速度
d D B C C0 Pu
mm kN kN r/min kg -
101951,380,5850,02580000380000,005561800-2Z

SKF61800-2Z深沟球轴承供应商

八零动力专业销售61800-2Z深沟球轴承,库存SKF61800-2Z大量现货,与SKF合作,咨询热线:022-58519723业务咨询
SKF61800-2Z这款轴承的稳定性极佳,在长时间运行中也能保持良好状态设计合理、性能优良的它,是机械设备稳定运行的重要保障它的低噪音设计,减少了对环境的噪音污染 它的精密制造工艺,让人叹为观止 为您的设备保驾护航,让机械运转无忧它在船舶工业中的应用,展现了它的耐腐蚀性 ,八零动力SKF深沟球轴承品种全,价格优,质量有保证!

用户关注最多的SKF轴承型号

SKF1209EKTN9 SKF22228CCK/W33+H3128 SKF241/710ECA/W33 SKF353108AU SKF51417M SKF61814-2RS SKF71800ACD/P4 SKFBT4-8025G/HA1VA903 SKFCR120X150X15CRSH1R SKFCR593180 SKFFYT20TF/VA201 SKFLR20x25x20.5 SKFP85R-1.1/2RM SKFRN-2.5x9.8BF/G2 SKFSNL520TURU

61800-2Z深沟球轴承近似的SKF轴承型号

SKFW61800 SKF61800-RS SKF61800-2RS SKF61800-2RS1 SKF61800-2Z SKFW61800-2RS1 SKFW61800-2Z SKF61800 SKF61800-RZ SKF61800-2RZ SKF61800-2RZ SKF61800-RS

用户关注最多的轴承狗热门型号

NSK  7948A5TYNDBLP4 RIV  NF316 KOYO  33111 TIMKEN  G1010KLL SKF  AOH3168G MAC  NU1009 KOYO  2211K+H311 SKF  NCF3022CV SKF  SC71906DB/P7 LYC  6012 E/C3 FYH  UC217 LYC  FCDP 114166600/C4/02 FYH  UKFU312+H2312 SNR  3311 IKO  RNAF142213

版权所有©2009-2015 轴承狗zcgou.com ICP备案:津ICP备14004550号-13