SKF618/600MA轴承详细参数

发布时间:2026-04-14
深沟球轴承, 单列, 无密封件
主要数据尺寸 基本负荷额定值 疲劳负荷限值 额定速度 体积 型号
动态 静态 参照速度 限制速度
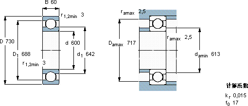
d D B C C0 Pu
mm kN kN r/min kg -
6007306036476512,51500120052,00618/600 MA

SKF618/600MA深沟球轴承供应商

八零动力专业销售618/600MA深沟球轴承,库存SKF618/600MA大量现货,与SKF合作,咨询热线:022-58519723业务咨询
SKF618/600MA这轴承的设计巧妙,充分考虑了设备的运行需求和维护便利性顺滑无声先进的生产工艺,让这款轴承的性能得到了极大提升以精湛工艺铸就以卓越品质轴承的耐用性极佳,能够承受高强度的工作负荷,八零动力SKF深沟球轴承品种全,价格优,质量有保证!

用户关注最多的SKF轴承型号

SKF2305E-2RS1TN9 SKF240/670ECA/W33 SKF526/522/Q SKF7210BECBY SKFBC4B322216B/HA3VJ212 SKFCR12X28X7HMSA10V SKFCR48X79X17.5CRSA1P SKFN2326 SKFNJ2307ECP* SKFNNCF4956CV SKFNNU4156M/W33 SKFNNU4944K/W33 SKFS71919ACD/HCP4A SKFSAF22511x1.7/8 SKFZ310

618/600MA深沟球轴承近似的SKF轴承型号

SKF618/1600MB SKF618/600MA SKF618/670TN SKFW61804-2RS1 SKF61815-2RZ SKFW618/1 SKF61815-2RS1 SKF61817-RS SKF61818-RZ SKF361840 SKF618/6 SKF618/630MA

用户关注最多的轴承狗热门型号

MAC  NJ213 SKF  NNF5019ADA-2LSV SKF  C4122K30V+AH24122* SKF  CR380x440x25HDS1R FAG  SNV120-L + 20213-K-TVP-C3 + H213X204 + TCV513X204 NTN  BK4520 SKF  N305ECP LYC  16009 SKF  61817 SKF  CR80X100X12HMSA10RG LYC  NUP 309 INA  IR40X45X20,5 MAC  NUP2320 FAG  AH24144-H NSK  NF407

版权所有©2009-2015 轴承狗zcgou.com ICP备案:津ICP备14004550号-13