SKF61809轴承详细参数

发布时间:2026-04-14
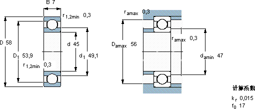
深沟球轴承, 单列, 无密封件
主要数据尺寸 基本负荷额定值 疲劳负荷限值 额定速度 体积 型号
动态 静态 参照速度 限制速度
d D B C C0 Pu
mm kN kN r/min kg -
455876,636,10,2622000140000,04061809

SKF61809深沟球轴承供应商

八零动力专业销售61809深沟球轴承,库存SKF61809大量现货,与SKF合作,咨询热线:022-58519723业务咨询
SKF61809轴承的稳定性和可靠性表现卓越,赢得了广泛赞誉它在电子设备中的应用,展现了它的高精密性 它在矿山设备中的应用,确保了设备的高负载能力 它的密封性能,完美抵御灰尘和杂质的侵袭 精准运转它在包装机械中的应用,确保了设备的高效率 ,八零动力SKF深沟球轴承品种全,价格优,质量有保证!

用户关注最多的SKF轴承型号

SKF23122-2CS5K/VT143* SKF6210/HR11QN SKF7040C/DB SKF71944CD/P4A SKF7213AC/DF SKF81238 SKFAOH3048 SKFBS2-2226-2CS5K/VT143* SKFC2216KV+H316* SKFC4038K30V* SKFNA49/32 SKFNKI50/35 SKFPCM160165100E SKFSC7008DB/P7 SKFWS89422

61809深沟球轴承近似的SKF轴承型号

SKF61809 SKF61809-2RS1 SKF61809-RS SKF61809-2RS SKF61809-2RZ SKF61809-RZ SKF61808-RZ SKF61809-2RS

用户关注最多的轴承狗热门型号

FAG  SNV140-L + 22313-E1-K + H2313X203 + FSV613X203 SKF  GS811/600 FAG  32209-A INA  CSEA025 SKF  EEB2-2Z BARDEN  71915C/DF KOYO  7020C TIMKEN  590/592D 国产  24068CK30F1 BARDEN  7014C/DT SKF  P80R-35RM KOYO  6307NR TIMKEN  L217849/L217813 SKF  S7016CD/HCP4A IKO  SF12120A

版权所有©2009-2015 轴承狗zcgou.com ICP备案:津ICP备14004550号-13