SKF61860MA轴承详细参数

发布时间:2026-04-14
深沟球轴承, 单列, 无密封件
主要数据尺寸 基本负荷额定值 疲劳负荷限值 额定速度 体积 型号
动态 静态 参照速度 限制速度
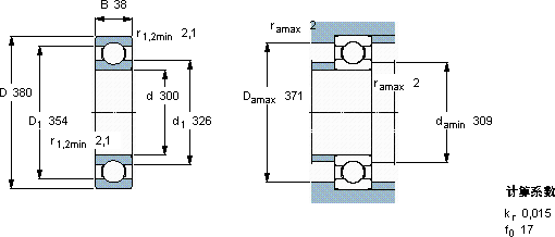
d D B C C0 Pu
mm kN kN r/min kg -
300380381722455,63200260010,561860 MA

SKF61860MA深沟球轴承供应商

八零动力专业销售61860MA深沟球轴承,库存SKF61860MA大量现货,与SKF合作,咨询热线:022-58519723业务咨询
SKF61860MA为您的机械注入强大动力,轴承的耐用性出色,能够长时间保持良好的工作状态它的精密测量技术,确保了每一件产品的品质 卓越的设计和可靠的性能,是这款轴承的两大亮点优秀的轴承,就像精密仪器的心脏,确保着整个系统的高效运转它的长寿命,减少了更换频率 ,八零动力SKF深沟球轴承品种全,价格优,质量有保证!

用户关注最多的SKF轴承型号

SKF1318 SKF2x7318BECBJ SKF5309E-2Z SKF7211ACD/P4A SKFCR1400549 SKFCR2514 SKFCR28X42X7HMS5RG SKFCR95x115x12CRW1R SKFCR9847 SKFHMVC36E SKFNU409 SKFPWM202420 SKFSYE1.3/4NH SKFTU1.1/4WF SKFWS81105

61860MA深沟球轴承近似的SKF轴承型号

SKF61860MA SKF61860MA SKF61860 SKF61860MA SKF618/630

用户关注最多的轴承狗热门型号

RIV  NU2218 SKF  319313 TIMKEN  3982/3925 STEYR  6317-Z SKF  CR42557 FAG  3207-B-2RSR-TVH KOYO  JLM508748/10 SKF  TU2.3/16TF NSK  30BNR10X 国产  NUP2209EN TIMKEN  3480/3420-B BARDEN  7002C/DT INA  SL183008 TIMKEN  HM252348/HM252310CD+HM252349XB IKO  LWHY55

版权所有©2009-2015 轴承狗zcgou.com ICP备案:津ICP备14004550号-13