SKF618/560MA轴承详细参数

发布时间:2026-04-14
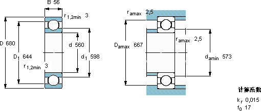
深沟球轴承, 单列, 无密封件
主要数据尺寸 基本负荷额定值 疲劳负荷限值 额定速度 体积 型号
动态 静态 参照速度 限制速度
d D B C C0 Pu
mm kN kN r/min kg -
5606805634569511,81600130042,0618/560 MA

SKF618/560MA深沟球轴承供应商

八零动力专业销售618/560MA深沟球轴承,库存SKF618/560MA大量现货,与SKF合作,咨询热线:022-58519723业务咨询
SKF618/560MA它的精密装配,确保了整体性能的卓越 轴承的稳定性和可靠性表现卓越,赢得了广泛赞誉旋转无忧高精度的制造工艺,让这款轴承的性能更加出色它的轻量化设计,减少了运输成本 该轴承的性能出色,有效提升了机械设备的整体性能,八零动力SKF深沟球轴承品种全,价格优,质量有保证!

用户关注最多的SKF轴承型号

SKF2317KM+H2317 SKF619/710MA SKF71919CD/P4A SKFBK1712 SKFC3144K+AOH3144* SKFCR25X40X5HMS5V SKFCR41287 SKFCR56160 SKFCR85691 SKFFSYE2.7/16NH SKFNNCF5017CV SKFPCM121425M SKFUCP220 SKFWS81164 SKFYAT207

618/560MA深沟球轴承近似的SKF轴承型号

SKF61808-2RZ SKF61805-2RZ SKF61819-RS SKF618/8 SKF618/850MA SKF61807-RZ SKF61800-2RS SKF61813-2RZ SKF61818-2RS1 SKF618/1500TN SKF618/530MA SKF618/6

用户关注最多的轴承狗热门型号

SKF  23148CCK/W33+OH3148H* KOYO  23160CACK/W33 SKF  7000C TIMKEN  120RF02 TIMKEN  140RF91 LYC  NJ 2314 EM FAG  SNV150-L + 2217-K-M-C3 + H317 + TCV517 TIMKEN  15123/15251D+X1S-15123 NSK  6817VV TIMKEN  30308 /30308 LYC  63/28 E/P6Z1 FAG  N308-E-TVP2 NSK  7007CDT NACHI  7006DT IKO  LWHDG35

版权所有©2009-2015 轴承狗zcgou.com ICP备案:津ICP备14004550号-13