
SKF618/6轴承详细参数
发布时间:2026-05-30
| | | | | | | | | | | |
| 深沟球轴承, 单列, 无密封件 |
 |
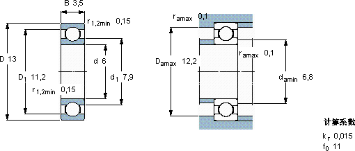
| 主要数据尺寸 | 基本负荷额定值 | 疲劳负荷限值 | 额定速度 | 体积 | 型号 |
| | 动态 | 静态 | | 参照速度 | 限制速度 |
| d | D | B | C | C0 | Pu | |
 |
| mm | kN | kN | r/min | kg | - | |
 |
| 6 | 13 | 3,5 | 0,884 | 0,345 | 0,015 | 110000 | 67000 | 0,0020 | 618/6 | |
SKF618/6深沟球轴承供应商
- 八零动力专业销售618/6深沟球轴承,库存SKF618/6大量现货,与SKF合作,咨询热线:022-58519723

- SKF618/6它的精密性,让它在高精度设备中无可替代 它的旋转精度,让高速运转成为现实 先进的制造工艺,让这款轴承的性能更加稳定可靠让您的设备高效运行,它的抗疲劳性能,确保了长期使用的可靠性 承载无限可能,,八零动力SKF深沟球轴承品种全,价格优,质量有保证!
用户关注最多的SKF轴承型号
SKF22328CCJA/W33VA406
SKF22352CCK/W33+H2352
SKF361844
SKF4580/2/4535/2/Q
SKF61948MA
SKFBT4B331950/HA4
SKFC2217*
SKFCR42X72X8HMSA10V
SKFFYTM1.15/16TF/AH
SKFIR10x14x20
SKFIR17x24x20
SKFIR22x28x30
SKFNU2209ECP*
SKFPDNB211
SKFSYR4.-18