SKF618/530MA轴承详细参数

发布时间:2026-04-15
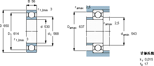
深沟球轴承, 单列, 无密封件
主要数据尺寸 基本负荷额定值 疲劳负荷限值 额定速度 体积 型号
动态 静态 参照速度 限制速度
d D B C C0 Pu
mm kN kN r/min kg -
5306505633265511,21700140039,5618/530 MA

SKF618/530MA深沟球轴承供应商

八零动力专业销售618/530MA深沟球轴承,库存SKF618/530MA大量现货,与SKF合作,咨询热线:022-58519723业务咨询
SKF618/530MA它在机床设备中的应用,确保了加工精度 其设计和制造工艺都达到了国际先进水平,是一款优质轴承制造工艺先进,使得这款轴承的性能远超普通产品是您机械世界里的不败功臣,它的稳定性,让它在各种环境下都能可靠工作 卓越的性能和可靠的质量,让这款轴承成为市场的宠儿,八零动力SKF深沟球轴承品种全,价格优,质量有保证!

用户关注最多的SKF轴承型号

SKF32211 SKF7201B SKF7315B/DB SKF812/530 SKFBTM80B/P4CDBA SKFC4122K30V+AH24122* SKFCR403506 SKFIR12x16x20 SKFN028 SKFN310ECP SKFNU29/1060ECMA/HB1 SKFNU203ECML SKFW6300-2Z SKFSNL3192FTURT SKFSNL3196GF

618/530MA深沟球轴承近似的SKF轴承型号

SKF61808-2RS1 SKF618/1120MA SKF61818-2RZ SKF61812-RZ SKF618/530MA SKF61844 SKF618/670MA SKFW618/4R SKF61822-2RZ SKF618/7 SKF618/500TN9 SKF618/560MA

用户关注最多的轴承狗热门型号

SKF  6006-2Z/VA208 KOYO  NJ2326E MRC  NF307 MRC  NF211 FAG  SNV090-L + 1308-TVH + TSV308 FAG  HCS71902-E-T-P4S 国产  52228 SNR  16005 SKF  SYNT50F NTN  NK37/30 NTN  UC204 SKF  23690/23620/QCL7C BARDEN  7024AC/DT TIMKEN  SM1112KB TIMKEN  33889/33821D

版权所有©2009-2015 轴承狗zcgou.com ICP备案:津ICP备14004550号-13