SKF61801轴承详细参数

发布时间:2026-05-30
深沟球轴承, 单列, 无密封件
主要数据尺寸 基本负荷额定值 疲劳负荷限值 额定速度 体积 型号
动态 静态 参照速度 限制速度
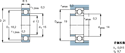
d D B C C0 Pu
mm kN kN r/min kg -
122151,430,670,02870000430000,006361801

SKF61801深沟球轴承供应商

八零动力专业销售61801深沟球轴承,库存SKF61801大量现货,与SKF合作,咨询热线:022-58519723业务咨询
SKF61801该轴承的性能出色,有效提升了机械设备的整体性能为您的机械提供持久动力,顺滑无声高精度的轴承,为设备的稳定运行提供了坚实保障它的密封性能,减少了润滑剂的泄漏 它的可回收性,体现了环保理念 ,八零动力SKF深沟球轴承品种全,价格优,质量有保证!

用户关注最多的SKF轴承型号

SKF29338E* SKF3306A-2ZTN9/MT33* SKF60/1060MB SKF61803-2RS SKF630/8-2RS1 SKF7205CD/P4A SKF7209CD/HCP4A SKFC2213TN9* SKFCR22X36X7HMS5V SKFCR3050560 SKFNU1009ECP SKFPWKR52.2RS SKFSNL312TURU SKFSY1.3/4TF/VA228 SKFT7FC055/QCL7C

61801深沟球轴承近似的SKF轴承型号

SKFW61801 SKF61801 SKF61801-RZ SKF61801-2RS1 SKF61801-2Z SKF61801-2RZ SKF61801-2RS SKFW61801-2Z SKF61801-RS SKF61800-RZ SKF61801-2RS

用户关注最多的轴承狗热门型号

NACHI  NU332 TIMKEN  239/1250YMB NACHI  6305-2NSE NTN  NJ2214 FAG  HCS71926-C-T-P4S LYC  2782/1000GK SKF  YEL209-111-2FCW LYC  E3-251 NSK  6012V INA  RWS1808-300/x300/x98 LYC  NU 310 M/P5 LYC  32314/P5 NTN  LH-22209CK SKF  CR17271 INA  CSXC090

版权所有©2009-2015 轴承狗zcgou.com ICP备案:津ICP备14004550号-13