SKF61884MA轴承详细参数

发布时间:2026-05-30
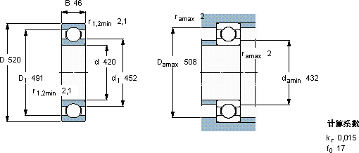
深沟球轴承, 单列, 无密封件
主要数据尺寸 基本负荷额定值 疲劳负荷限值 额定速度 体积 型号
动态 静态 参照速度 限制速度
d D B C C0 Pu
mm kN kN r/min kg -
420520462514258,32200180021,561884 MA

SKF61884MA深沟球轴承供应商

八零动力专业销售61884MA深沟球轴承,库存SKF61884MA大量现货,与SKF合作,咨询热线:022-58519723业务咨询
SKF61884MA让您的机械如虎添翼,它的制造工艺,堪称工业艺术的典范 质量无可比拟的轴承,在行业内树立了良好的品质标杆精湛的制造工艺赋予了这款轴承卓越的性能和品质 质量上乘的轴承,是提升机械设备性能的关键因素转动精彩,八零动力SKF深沟球轴承品种全,价格优,质量有保证!

用户关注最多的SKF轴承型号

SKF231/710CAK/W33 SKF6017N* SKF6207-2RS1* SKF71930C/DB SKFBCRB322250 SKFH2312 SKFHE315 SKFIR80x90x54 SKFK80x86x20 SKFMS31/530 SKFNJ219ECM* SKFPCM100105115M SKFSC71922DB/P7 SKFSNP3056x10 SKFSYNT75L

61884MA深沟球轴承近似的SKF轴承型号

SKF61884 SKF61884MA SKF61884MA SKF61884MA SKF618/850MA

用户关注最多的轴承狗热门型号

LYC  B 7205 C/P6 NSK  7913CTYNSULP4 TIMKEN  593/592D+X2S-593 TIMKEN  T711 SKF  23248CCK/W33+AOH2348* 国产  B7313ACM MRC  71910C/DB SKF  230/530CAK/W33+AOH30/530* SKF  24144CCK30/W33+AOH24144* FAG  SNV110-L + 22310-E1 + DHV310 RHP  7301B/DT 国产  6210-Z/Z3 KOYO  NN3024 IKO  GBRI243920 IKO  LM304564F

版权所有©2009-2015 轴承狗zcgou.com ICP备案:津ICP备14004550号-13