SKF618/1250MB轴承详细参数

发布时间:2026-04-15
深沟球轴承, 单列, 无密封件
主要数据尺寸 基本负荷额定值 疲劳负荷限值 额定速度 体积 型号
动态 静态 参照速度 限制速度
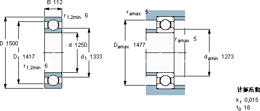
d D B C C0 Pu
mm kN kN r/min kg -
12501500112852275031,5530430385618/1250 MB

SKF618/1250MB深沟球轴承供应商

八零动力专业销售618/1250MB深沟球轴承,库存SKF618/1250MB大量现货,与SKF合作,咨询热线:022-58519723业务咨询
SKF618/1250MB它的耐用性,让人惊叹不已 它的密封性能,完美抵御灰尘和杂质的侵袭 让您的设备高效运行,它的材质选择,体现了对品质的极致追求 它的长寿命,减少了更换频率 这轴承的稳定性极佳,即使在恶劣环境下也能正常工作,八零动力SKF深沟球轴承品种全,价格优,质量有保证!

用户关注最多的SKF轴承型号

SKF23036-2CS5K/VT143* SKF32312BJ2/QCL7C SKF5209A-2Z* SKF62208-2RS1 SKF7016CE/P4A SKFAXW40 SKFBT4B328524/HA1 SKFCR12x26x7CRW1R SKFCR22X40X10HMS5RG SKFCR41x55x8CRW1R SKFK50x55x13.5 SKFNNU4880/W33 SKFNU2315ECJ* SKFNU310E SKFSIKB14F

618/1250MB深沟球轴承近似的SKF轴承型号

SKF61821-2RZ SKF618/600 SKF61819-RZ SKF61834 SKF61820-RS SKF61826-RZ SKF61809-2RS SKF61803-2RS1 SKF61801 SKFW618/2 SKF618/1180MB SKF618/1320MA

用户关注最多的轴承狗热门型号

LYC  32028/P6 SKF  AS0821 SKF  NU2240ECMA KOYO  7405 FAG  SNV130-L + 1312-K-TVH-C3 + H312 + DHV612 NTN  7912DT KOYO  52418 LYC  EE 722115/722186CD NSK  7340BDT TORRINGTON  22217CCK/W33+H317 RIV  NJ2317 KINGON  628ZZ MRC  7304AC/DF NTN  33212 IKO  TA1515Z

版权所有©2009-2015 轴承狗zcgou.com ICP备案:津ICP备14004550号-13