SKF241/500ECAK30/W33*轴承详细参数

发布时间:2026-04-15
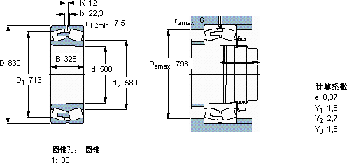
球面滚子轴承, 圆柱和圆锥孔, 圆锥型内孔, 无密封件
主要数据尺寸 基本负荷额定值 疲劳负荷限值 额定速度 体积 型号
动态 静态 参照速度 限制速度
d D B C C0 Pu * - SKF Explorer 轴承
mm kN kN r/min kg -
5008303259800170001120320600690241/500 ECAK30/W33 *

SKF241/500ECAK30/W33*球面滚子轴承供应商

八零动力专业销售241/500ECAK30/W33*球面滚子轴承,库存SKF241/500ECAK30/W33*大量现货,与SKF合作,咨询热线:022-58519723业务咨询
SKF241/500ECAK30/W33*它在农业机械中的应用,展现了它的耐用性 优秀的轴承,就像精密仪器的心脏,确保着整个系统的高效运转它的品质卓越,为机械设备的高效运行提供了坚实后盾它的精准度,让机械运转分毫不差 高精度的轴承,为设备的稳定运行提供了坚实保障转动世界的精密之选,,八零动力SKF球面滚子轴承品种全,价格优,质量有保证!

用户关注最多的SKF轴承型号

SKF21316CCK SKF33115 SKF331590 SKF3316DMA SKF71815CD/P4A SKFAHX317/75 SKFCR100X125X12HMSA10RG SKFCR210x250x20HDS1V SKFCR25X35X4HM4R SKFCR39277 SKFCR99282 SKFFYRP5 SKFNJ2311E+HJ2311E SKFNNU40/530KM/W33 SKFPCM303430E

241/500ECAK30/W33*球面滚子轴承近似的SKF轴承型号

SKF241/530ECAK30/W33* SKF24164CCK30/W33* SKF24136CCK30/W33* SKF241/850ECAF/W33 SKF24126CC/W33* SKF24164CCK30/W33+AOH24164* SKF24128CC/W33* SKF24180ECAK30/W33+AOH24180* SKF241/750ECAK30/W33+AOH241/750G SKF241/900ECAF/W33 SKF241/500ECAK30/W33+AOH241/500* SKF241/500ECA/W33*

用户关注最多的轴承狗热门型号

LYC  NJ 1052/C3 NTN  NKI22/20 STEYR  QJ313 STEYR  NUP408 NTN  241/670BK30 SKF  61880MA TORRINGTON FAFNIR  6211N FAG  VRE312-C SKF  PCM303430E FAG  B7026-C-T-P4S SKF  FYJ30TF LYC  32322/P5 FAG  S3052-H-N-FZ-BL-L + 23052-K-MB SKF  YEL208-2RF/VL065 IKO  KT141811

版权所有©2009-2015 轴承狗zcgou.com ICP备案:津ICP备14004550号-13