SKF24128CC/W33*轴承详细参数

发布时间:2026-04-15
球面滚子轴承, 圆柱和圆锥孔, 圆柱型内孔, 无密封件
主要数据尺寸 基本负荷额定值 疲劳负荷限值 额定速度 体积 型号
动态 静态 参照速度 限制速度
d D B C C0 Pu * - SKF Explorer 轴承
mm kN kN r/min kg -
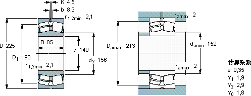
1402258576511601121700240013,524128 CC/W33 *

SKF24128CC/W33*球面滚子轴承供应商

八零动力专业销售24128CC/W33*球面滚子轴承,库存SKF24128CC/W33*大量现货,与SKF合作,咨询热线:022-58519723业务咨询
SKF24128CC/W33*我们的轴承卓越的性能先进的制造工艺,让这款轴承的性能更加稳定可靠精湛的制造工艺赋予了这款轴承出色的性能和可靠性这轴承的设计巧妙,充分考虑了设备的运行需求和维护便利性它的抗变形能力,让它在高负载下依然保持形状 为您的工程保驾护航,,八零动力SKF球面滚子轴承品种全,价格优,质量有保证!

用户关注最多的SKF轴承型号

SKF241/800ECA/W33 SKF31315J2/QCL7CDF SKF6211-2RS1* SKF7304BECBY SKFCR85X100X9CRS1R SKFCR86601 SKFFSAFC2616 SKFFYTM1.11/16TF SKFNJG2352VH SKFNNCF4922CV SKFNUP2212E SKFNUP2308ECP* SKFPCM556030B SKFSNW26x4.3/8 SKFTU1.11/16WF

24128CC/W33*球面滚子轴承近似的SKF轴承型号

SKF24128CCK30/W33* SKF24128CCK30/W33+AH24128* SKF24128CC/W33* SKF24128-2CS5/VT143* SKF24128CC/W33 SKF24130-2CS5K30/VT143*

用户关注最多的轴承狗热门型号

国产  234710BM KOYO  23048R KOYO  2220K KOYO  6222-2Z LYC  6309 E-2RZ/Z2LHT RIV  NJ428 SKF  71914AC LYC  241/560 CAK30/C3 STEYR  NU236 NTN  NUP2207 SKF  NU252MA SKF  CR46200 NTN  22217CCK/W33+H317 KOYO  23036RHK+AH3036 IKO  BWU30-75

版权所有©2009-2015 轴承狗zcgou.com ICP备案:津ICP备14004550号-13