SKF24132-2CS5/VT143*轴承详细参数

发布时间:2026-04-14
球面滚子轴承, 圆柱和圆锥孔, 圆柱型内孔, 两面密封件
主要数据尺寸 基本负荷额定值 疲劳负荷限值 额定速度 体积 型号
动态 静态 参照速度 限制速度
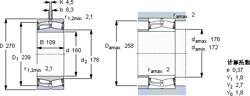
d D B C C0 Pu * - SKF Explorer 轴承
mm kN kN r/min kg -
16027010912001760163-3802524132-2CS5/VT143 *

SKF24132-2CS5/VT143*球面滚子轴承供应商

八零动力专业销售24132-2CS5/VT143*球面滚子轴承,库存SKF24132-2CS5/VT143*大量现货,与SKF合作,咨询热线:022-58519723业务咨询
SKF24132-2CS5/VT143*它的高可靠性,减少了设备停机时间 它的可回收性,体现了环保理念 这轴承的稳定性极佳,在高速运转时也能保持良好状态它的设计巧妙,在保证性能的同时,还兼顾了安装的便捷性这款轴承的稳定性极佳,在长时间运行中也能保持良好状态没有轴承,现代机械将寸步难行,,八零动力SKF球面滚子轴承品种全,价格优,质量有保证!

用户关注最多的SKF轴承型号

SKF232/670CAK/W33+OH32/670H SKF332129/HA4 SKF634-RS1 SKFBT4B330944AG/HA4 SKFCR210x250x20HDS1V SKFCR21167 SKFCR52488 SKFCR596043 SKFCR86260 SKFCR92536 SKFNCF2976CV SKFNUP10/630ECMA/HA2 SKFPFT25RM SKFRNA6905 SKFVJ-PDNB312

24132-2CS5/VT143*球面滚子轴承近似的SKF轴承型号

SKF24132-2CS5/VT143* SKF24132CCK30/W33* SKF24132CC/W33* SKF24132CCK30/W33+AH24132* SKF24130CC/W33* SKF24132CCK30/W33

用户关注最多的轴承狗热门型号

NACHI  24080EW33 FAG  Z-573929.ZL-K-C5 SKF  PCM242720E INA  GAKL14-PB NACHI  6052 NACHI  24064EW33K30 NSK  7216BDF KINGON  MR149 SKF  70892AM INA  LTS25-1610 NSK  30344 FAG  KUG7,144 FAG  SNV090-L + 2210-K-TVH-C3 + H310X110 + FSV510X110 FAG  32308-B IKO  BR122012

版权所有©2009-2015 轴承狗zcgou.com ICP备案:津ICP备14004550号-13