SKF240/950CAF/W33轴承详细参数

发布时间:2026-04-15
球面滚子轴承, 圆柱和圆锥孔, 圆柱型内孔, 无密封件
主要数据尺寸 基本负荷额定值 疲劳负荷限值 额定速度 体积 型号
动态 静态 参照速度 限制速度
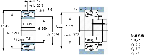
d D B C C0 Pu
mm kN kN r/min kg -
9501360412148003900023201703001990240/950 CAF/W33

SKF240/950CAF/W33球面滚子轴承供应商

八零动力专业销售240/950CAF/W33球面滚子轴承,库存SKF240/950CAF/W33大量现货,与SKF合作,咨询热线:022-58519723业务咨询
SKF240/950CAF/W33它的滚动体分布均匀,运转平稳无振动 高精度的制造工艺,让这款轴承的性能更加出色运转起来如此顺滑,这款轴承的制造工艺着实令人赞叹每一次转动都是精准与力量的完美呈现,制造工艺精湛,使得这款轴承的精度和稳定性都非常出色先进的生产工艺,让这款轴承的性能得到了极大提升,八零动力SKF球面滚子轴承品种全,价格优,质量有保证!

用户关注最多的SKF轴承型号

SKF21320CC SKF231/530CAK/W33+OH31/530H* SKF2x7317BECCM* SKF332060 SKF4306ATN9 SKF71824CD/P4A SKFC3232K+H2332L* SKFCR36X58X10HMS5V SKFCR64998 SKFCR65X85X12HMS5RG SKFCRMVR2-25 SKFKMFE11 SKFNKS25 SKFSAFC2618 SKFSC7016DB/P7

240/950CAF/W33球面滚子轴承近似的SKF轴承型号

SKF240/1060CAK30F/W33 SKF24024CCK30/W33+AH24024* SKF24064CCK30/W33+AOH24064G* SKF240/710ECAK30/W33+AOH240/710G* SKF23240CCK/W33+H2340* SKF24084ECAK30/W33* SKF24084ECA/W33* SKF24030CC/W33* SKF24032CCK30/W33* SKF24092ECA/W33* SKF240/950CAK30F/W33+AOH240/950 SKF240/950CAK30F/W33

用户关注最多的轴承狗热门型号

NTN  7211AC/DF SKF  30328 SKF  LM241148/110/QVQ051 INA  WS81244 LYC  7208 EC/P5DF RHP  6303 TIMKEN  180FS260 SKF  SY1.3/16FM KOYO  53313 LYC  M 244249 DW/M 244210 /M 244210 D SKF  SDAF23064KAx11.15/16 国产  628/2 SKF  CR63X90X10HMSA10V IKO  RNAST17R IKO  SBB76-2RS

版权所有©2009-2015 轴承狗zcgou.com ICP备案:津ICP备14004550号-13