SKF240/670ECA/W33*轴承详细参数

发布时间:2026-04-14
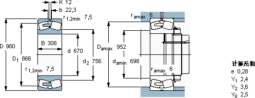
球面滚子轴承, 圆柱和圆锥孔, 圆柱型内孔, 无密封件
主要数据尺寸 基本负荷额定值 疲劳负荷限值 额定速度 体积 型号
动态 静态 参照速度 限制速度
d D B C C0 Pu * - SKF Explorer 轴承
mm kN kN r/min kg -
67098030810000204001320300500790240/670 ECA/W33 *

SKF240/670ECA/W33*球面滚子轴承供应商

八零动力专业销售240/670ECA/W33*球面滚子轴承,库存SKF240/670ECA/W33*大量现货,与SKF合作,咨询热线:022-58519723业务咨询
SKF240/670ECA/W33*它的品质卓越,是提升机械设备整体性能的关键所在品质卓越的它,为机械设备的稳定、高效运行提供了支持转动精彩它的轴向跳动控制,确保了机械的平稳运行 每一次旋转,都是品质的见证,引领行业速度,我们的轴承始终稳如磐石,八零动力SKF球面滚子轴承品种全,价格优,质量有保证!

用户关注最多的SKF轴承型号

SKF1213EKTN9 SKF32038T146X/DBC220 SKF51106 SKF7206BEP SKFCR24x38x7CRW1V SKFCR60X82X12HMSA10V SKFCR99244 SKFFSYE3NH SKFNJ212E+HJ212E SKFNJ326E SKFNN3006TN/SP SKFNUP219ECP* SKFNUP413 SKFS71918CD/HCP4A SKFTU45FM

240/670ECA/W33*球面滚子轴承近似的SKF轴承型号

SKF23240-2CS2/VT143* SKF24032-2CS5/VT143* SKF240/800ECAK30/W33* SKF24030-2CS5/VT143* SKF24028CCK30/W33+AH24028* SKF24092ECAK30/W33+AOH24092* SKF24036CCK30/W33* SKF240/1000CAF/W33 SKF23240CC/W33* SKF24038CCK30/W33+AH24038* SKF240/670ECAK30/W33* SKF240/710ECAK30/W33+AOH240/710G*

用户关注最多的轴承狗热门型号

TORRINGTON FAFNIR  6017-Z FAG  SNV290-L + 222S.507-MA + TSV532X507 TIMKEN  28158/28315-B FAG  SNV090-L + 2308-K-TVH-C3 + H2308X105 + TCV608X105 MRC  61905 SKF  316968A SKF  CR32X43X7HMSA10V LYC  6305 EX2/P6Z2 ZKL  NU426 INA  NRB2,5X7,8-G2 LYC  797/962G2 NSK  7322BDT KOYO  21322RHK+H322X IKO  IRT815 IKO  CRW6-400SL

版权所有©2009-2015 轴承狗zcgou.com ICP备案:津ICP备14004550号-13