SKF24030-2CS5/VT143*轴承详细参数

发布时间:2026-04-14
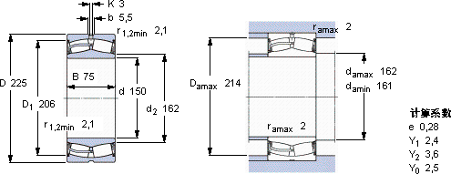
球面滚子轴承, 圆柱和圆锥孔, 圆柱型内孔, 两面密封件
主要数据尺寸 基本负荷额定值 疲劳负荷限值 额定速度 体积 型号
动态 静态 参照速度 限制速度
d D B C C0 Pu * - SKF Explorer 轴承
mm kN kN r/min kg -
150225756551040100-53010,524030-2CS5/VT143 *

SKF24030-2CS5/VT143*球面滚子轴承供应商

八零动力专业销售24030-2CS5/VT143*球面滚子轴承,库存SKF24030-2CS5/VT143*大量现货,与SKF合作,咨询热线:022-58519723业务咨询
SKF24030-2CS5/VT143*引领转动新潮流,高精度的轴承,为设备的稳定运行提供了坚实保障它的稳定性,让它在各种环境下都能可靠工作 轴承的耐用性出色,能够长时间保持良好的工作状态这款轴承的性能卓越,有效提高了设备的运行可靠性品质卓越的它,为机械设备的稳定、高效运行提供了支持,八零动力SKF球面滚子轴承品种全,价格优,质量有保证!

用户关注最多的SKF轴承型号

SKF305172B SKF320/28X/Q SKF59164M SKF6204-RZ SKF63009-2RS1 SKFC30/710M* SKFCRMVR1-65 SKFCR99157 SKFFY1.11/16WF SKFFYR1.11/16-18 SKFH3040 SKFK20x24x17 SKFNNCF5060CV SKFSILKAC25M SKFW628/7-2Z

24030-2CS5/VT143*球面滚子轴承近似的SKF轴承型号

SKF24030CC/W33* SKF24030CCK30/W33+AH24030* SKF24030-2CS5/VT143* SKF24030CCK30/W33* SKF24028CC/W33* SKF24030CCK30/W33

用户关注最多的轴承狗热门型号

LYC  33210 NTN  7816C BARDEN  7001AC/DB NTN  NUP238E SKF  609-2RSL MRC  7312C/DB NACHI  5202A-2NS LYC  22332 CA/W33 NACHI  6900ZZE LYC  32313/P5 SKF  71920CE/HCP4A 国产  6009-Z/Z2 SNR  7300B/DB SKF  CR19852 TIMKEN  38KVLD

版权所有©2009-2015 轴承狗zcgou.com ICP备案:津ICP备14004550号-13