SKF24022-2CS/VT143*轴承详细参数

发布时间:2026-04-14
球面滚子轴承, 圆柱和圆锥孔, 圆柱型内孔, 两面密封件
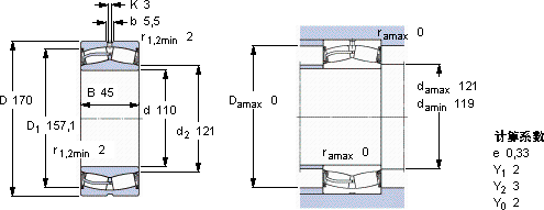
主要数据尺寸 基本负荷额定值 疲劳负荷限值 额定速度 体积 型号
动态 静态 参照速度 限制速度
d D B C C0 Pu * - SKF Explorer 轴承
mm kN kN r/min kg -
1101704541562067-670524022-2CS/VT143 *

SKF24022-2CS/VT143*球面滚子轴承供应商

八零动力专业销售24022-2CS/VT143*球面滚子轴承,库存SKF24022-2CS/VT143*大量现货,与SKF合作,咨询热线:022-58519723业务咨询
SKF24022-2CS/VT143*这款轴承的稳定性极佳,在长时间运行中也能保持良好状态它的抗疲劳性能,确保了长期使用的可靠性 它的质量过硬,为机械设备的高效、安全运行提供了保障这款轴承的运转平稳,几乎听不到任何噪音,令人惊艳这款轴承的运转十分平稳,几乎感受不到任何震动设计独特的轴承,不仅性能优越,还具有很高的性价比,八零动力SKF球面滚子轴承品种全,价格优,质量有保证!

用户关注最多的SKF轴承型号

SKF62208-2RS1 SKF7226C/DF SKFAOH3176G SKFBS2-2314-2CS/VT143* SKFC71909FB/P7 SKFCR406002 SKFNJ203ECP SKFNU2208E SKFNUP2309E SKFNUP322ECP* SKFP40TF SKFPCM556050E SKFS71916DB/P7 SKFSDAF23156KAx10.7/16 SKFSY1.7/16TF

24022-2CS/VT143*球面滚子轴承近似的SKF轴承型号

SKF24022-2CS/VT143* SKF24022CC/W33* SKF24022CCK30/W33* SKF24020CC/W33* SKF24022CCK30/W33*

用户关注最多的轴承狗热门型号

LYC  605 ZZ 国产  NK70/25/YA KOYO  52211 TIMKEN  110FSH180-TT SKF  YET207/VL065 INA  ZKLF3080-2Z TIMKEN  99550/99100 SKF  CR87144 LYC  230/530 D SKF  SAF1516 ZKL  7334B/DF STEYR  NJ2238 INA  PAP1310-P10 IKO  NAXI1730Z IKO  WS3562

版权所有©2009-2015 轴承狗zcgou.com ICP备案:津ICP备14004550号-13