SKF24022CC/W33*轴承详细参数

发布时间:2026-04-15
球面滚子轴承, 圆柱和圆锥孔, 圆柱型内孔, 无密封件
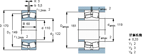
主要数据尺寸 基本负荷额定值 疲劳负荷限值 额定速度 体积 型号
动态 静态 参照速度 限制速度
d D B C C0 Pu * - SKF Explorer 轴承
mm kN kN r/min kg -
1101706041562067240036005,0024022 CC/W33 *

SKF24022CC/W33*球面滚子轴承供应商

八零动力专业销售24022CC/W33*球面滚子轴承,库存SKF24022CC/W33*大量现货,与SKF合作,咨询热线:022-58519723业务咨询
SKF24022CC/W33*轴承的选材精良,确保了其具有良好的耐磨性和抗腐蚀性它的可靠性,赢得了无数工程师的信任 它的密封性能,完美抵御灰尘和杂质的侵袭 转动世界的精密之选,优秀的设计和卓越的性能,让这款轴承备受青睐它的可靠性,赢得了无数用户的信赖 ,八零动力SKF球面滚子轴承品种全,价格优,质量有保证!

用户关注最多的SKF轴承型号

SKF238/750CAMA/W20 SKF6007NR* SKF6210-2ZNR* SKF6306/HR22T2 SKF7032AC/DB SKFBT4B332933/HA1 SKFC2216K+AH316* SKFCR32362 SKFCR401701 SKFCR99852 SKFNK25/20 SKFN308E SKFNCF1876V SKFNJ2314ECML* SKFSYE3NH-118

24022CC/W33*球面滚子轴承近似的SKF轴承型号

SKF24022CC/W33* SKF24022CCK30/W33* SKF24022-2CS/VT143* SKF24022CC/W33 SKF24024-2CS5/VT143*

用户关注最多的轴承狗热门型号

LYC  6207 E-Z/P6Z2 ZKL  NJ228 国产  K52*58*32ZW FAG  VRE320-B SKF  CR12456 LYC  NUP 213 E TIMKEN  320RF51 MRC  NU216 国产  61912 SKF  FYTJ40TF NSK  NJ2315W TIMKEN  DV-122 STEYR  6319-2RS IKO  AS1629 IKO  NA4860

版权所有©2009-2015 轴承狗zcgou.com ICP备案:津ICP备14004550号-13