SKF240/500ECAK30/W33*轴承详细参数

发布时间:2026-05-30
球面滚子轴承, 圆柱和圆锥孔, 圆锥型内孔, 无密封件
主要数据尺寸 基本负荷额定值 疲劳负荷限值 额定速度 体积 型号
动态 静态 参照速度 限制速度
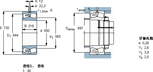
d D B C C0 Pu * - SKF Explorer 轴承
mm kN kN r/min kg -
500720218550011000735430700290240/500 ECAK30/W33 *

SKF240/500ECAK30/W33*球面滚子轴承供应商

八零动力专业销售240/500ECAK30/W33*球面滚子轴承,库存SKF240/500ECAK30/W33*大量现货,与SKF合作,咨询热线:022-58519723业务咨询
SKF240/500ECAK30/W33*这轴承的选材讲究,坚固耐用,寿命远超同类产品轴承的选材精良,确保了其具有良好的耐磨性和抗腐蚀性先进的生产工艺,让这款轴承的性能得到了极大提升它的表面硬化处理,延长了它的使用寿命 是您设备高效运转的可靠伙伴,轴承的耐用性强,减少了设备的停机维护时间,八零动力SKF球面滚子轴承品种全,价格优,质量有保证!

用户关注最多的SKF轴承型号

SKF216-ZNR SKF29476EM SKF2x7407BCBM SKF331781 SKF71808ACD/HCP4 SKFC3184M* SKFCR38X54X8HMSA92R SKFCR45x60x8CRW1V SKFNJ2326ECMA SKFNK73/35 SKFOKF120 SKFP30TF SKFPFD3/4TR SKFPF20RM SKFSYR3.H

240/500ECAK30/W33*球面滚子轴承近似的SKF轴承型号

SKF240/560ECAK30/W33+AOH240/560G* SKF240/670ECA/W33* SKF24044CCK30/W33+AOH24044* SKF24040CCK30/W33+AH24040* SKF24013CC/W33* SKF24034CCK30/W33* SKF24038CCK30/W33+AH24038* SKF24048CC/W33* SKF24072CCK30/W33+AOH24072* SKF22240CCK/W33+AH2240* SKF240/500ECAK30/W33+AOH240/500* SKF240/500ECA/W33*

用户关注最多的轴承狗热门型号

SKF  5312A* ASK  NU2305 TIMKEN  HH249949/HH249910 NSK  7005CTYNSULP4 SKF  SDAF22624x4.1/4 MRC  7317B TIMKEN  160RIF643 NSK  1301 NTN  7817CDT 国产  61915 NACHI  52230 FAG  BND3130-Z-Y-BF-S RHP  3213A TORRINGTON  HK3012 FAG  SNV120-L + 1213-K-TVH-C3 + H213X204 + TCV513X204

版权所有©2009-2015 轴承狗zcgou.com ICP备案:津ICP备14004550号-13