SKF240/500ECA/W33*轴承详细参数

发布时间:2026-04-14
球面滚子轴承, 圆柱和圆锥孔, 圆柱型内孔, 无密封件
主要数据尺寸 基本负荷额定值 疲劳负荷限值 额定速度 体积 型号
动态 静态 参照速度 限制速度
d D B C C0 Pu * - SKF Explorer 轴承
mm kN kN r/min kg -
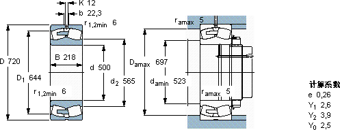
500720218550011000735430700295240/500 ECA/W33 *

SKF240/500ECA/W33*球面滚子轴承供应商

八零动力专业销售240/500ECA/W33*球面滚子轴承,库存SKF240/500ECA/W33*大量现货,与SKF合作,咨询热线:022-58519723业务咨询
SKF240/500ECA/W33*稳定旋转的核心力量它的旋转精度,让高速运转成为现实 它的高效率,让机械运转更加节能 设计独特的轴承,不仅性能优越,还具有很高的性价比它的疲劳强度,确保了长期使用的可靠性 它的耐用性,赢得了无数用户的信赖 ,八零动力SKF球面滚子轴承品种全,价格优,质量有保证!

用户关注最多的SKF轴承型号

SKF1206ETN9 SKF24192ECAK30/W33* SKF2x7319BECBM* SKFAHX310 SKFC39/950KMB+OH39/950HE* SKFC7010FB/P7 SKFC7015DB/P7 SKFCR73x92x11.13CRWH1R SKFFSYE2.7/16H-3 SKFHK4016.2RS SKFN29/850ECMB6 SKFNNC4848CV SKFNNF5032ADA-2LSV SKFSNW126x4.1/2 SKFSYNT45F

240/500ECA/W33*球面滚子轴承近似的SKF轴承型号

SKF24032CCK30/W33* SKF23240CCK/W33+H2340* SKF24038CCK30/W33+AH24038* SKF240/500ECA/W33* SKF240/950CAF/W33 SKF24092ECA/W33* SKF24038CC/W33* SKF240/630ECK30J/W33* SKF24040CCK30/W33* SKF24048CCK30/W33* SKF240/500ECAK30/W33* SKF240/530ECAK30/W33+AOH240/530G*

用户关注最多的轴承狗热门型号

SKF  OKBS128 INA  GIL10-DO INA  RAE15-NPP-B LYC  NU 230 M SKF  YAR204-012-2RF/HV SKF  BFSD353134/HA4 KOYO  R22/17 FYH  UKP322+H2322 SKF  C31/500KM+OH31/500H* LYC  22336/W26 RHP  6305 KOYO  46T30210JR/39.5 SKF  315599A LYC  63/22 E/P6Z2 IKO  NA495

版权所有©2009-2015 轴承狗zcgou.com ICP备案:津ICP备14004550号-13