SKF22240CCK/W33+H3140*轴承详细参数

发布时间:2026-05-30
球面滚子轴承, 带紧定套的
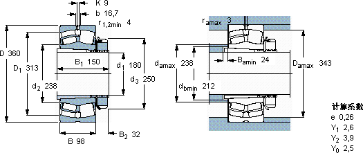
主要数据尺寸 基本负荷额定值 疲劳负荷限值 额定速度 体积 型号
动态 静态 参照速度 限制速度 轴承 + 紧定套
d1 D B C C0 Pu
* - SKF Explorer 轴承
mm kN kN r/min kg -
18036098146019301661600220066,022240 CCK/W33 + H 3140 *

SKF22240CCK/W33+H3140*球面滚子轴承供应商

八零动力专业销售22240CCK/W33+H3140*球面滚子轴承,库存SKF22240CCK/W33+H3140*大量现货,与SKF合作,咨询热线:022-58519723业务咨询
SKF22240CCK/W33+H3140*高品质的轴承,在复杂工况下也能展现出卓越的性能它在机器人领域的应用,展现了它的高精密性 它的抗拉强度,让它经得起各种考验 优秀的设计和卓越的性能,让这款轴承备受青睐精湛的制造工艺赋予了这款轴承卓越的性能和品质 它的抗疲劳性能,确保了长期使用的可靠性 ,八零动力SKF球面滚子轴承品种全,价格优,质量有保证!

用户关注最多的SKF轴承型号

SKF1202ETN9 SKF22218EK* SKF54420U SKF6010* SKF7000AC/DT SKF7012ACE/P4A SKF71806ACD/P4 SKF7272BM SKF81284 SKF812/800M SKFCR14X20X3HM4R SKFCR24889 SKFIR42x47x20 SKFOKF190 SKFP62R-1.WF

22240CCK/W33+H3140*球面滚子轴承近似的SKF轴承型号

SKF22240CCK/W33+AH2240* SKF22240CCK/W33* SKF22240-2CS5K/VT143* SKF22240CC/W33* SKF22240CCK/W33+H3140* SKF22240-2CS5/VT143* SKF22240CCK/W33+AH2240* SKF22240CC/W33

用户关注最多的轴承狗热门型号

LYC  NN 3016 K/P62 MRC  NF226 FAG  NJ2338-EX-M1 + HJ2338EX LYC  5397/2450 SKF  248/900CAMA/W20 TORRINGTON  22220CCK/W33+H320 SKF  NJ2311E LYC  FC 2028104 SKF  CR414000 NTN  2216K+H316 ASK  NJ430 FAG  HSS7021-E-T-P4S SKF  CR15649 NACHI  5204ANS NSK  6813N

版权所有©2009-2015 轴承狗zcgou.com ICP备案:津ICP备14004550号-13