SKF24036-2CS5/VT143*轴承详细参数

发布时间:2026-04-15
球面滚子轴承, 圆柱和圆锥孔, 圆柱型内孔, 两面密封件
主要数据尺寸 基本负荷额定值 疲劳负荷限值 额定速度 体积 型号
动态 静态 参照速度 限制速度
d D B C C0 Pu * - SKF Explorer 轴承
mm kN kN r/min kg -
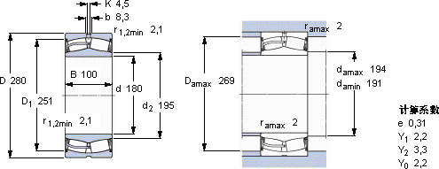
18028010010801730156-38023,024036-2CS5/VT143 *

SKF24036-2CS5/VT143*球面滚子轴承供应商

八零动力专业销售24036-2CS5/VT143*球面滚子轴承,库存SKF24036-2CS5/VT143*大量现货,与SKF合作,咨询热线:022-58519723业务咨询
SKF24036-2CS5/VT143*它的质量可靠,是众多机械设备制造商的首选配件卓越的性能和可靠的质量,让这款轴承成为市场的宠儿以精湛工艺畅享稳定顺滑的旋转之旅,卓越的性能表现,使这款轴承在市场上拥有良好的口碑它的耐腐蚀性,让它经久不衰 ,八零动力SKF球面滚子轴承品种全,价格优,质量有保证!

用户关注最多的SKF轴承型号

SKF16052MA SKF2309K SKF71920C/DT SKF81236 SKFBT2-8010/HA3VA901 SKFCR740x790x25HDS2R SKFCR99224 SKFCRMVR2-17 SKFFSYE2.15/16NH SKFGEH35ES-2RS SKFK50x58x20 SKFL555249/210 SKFNCF28/800V SKFSY1.5/8TF/AH SKFW6202-2Z

24036-2CS5/VT143*球面滚子轴承近似的SKF轴承型号

SKF24036CCK30/W33* SKF24036CCK30/W33+AH24036* SKF24036-2CS5/VT143* SKF24036CC/W33* SKF24034CC/W33* SKF24036CCK30/W33

用户关注最多的轴承狗热门型号

SNR  7002AC/DF MAC  NJ204 NTN  GE20ES RHP  7248C/DT SKF  7005ACD/HCP4A 国产  7307C RHP  6211-2Z FAG  S3060-H-N-FZ-AL-L + 23060-K-MB STEYR  NUP2314 LYC  986911K SKF  NJ18/560ECMA6/343016 LYC  23992 CA INA  WS89306 SKF  2x7314BECBPH* NTN  23052BK+AH3052

版权所有©2009-2015 轴承狗zcgou.com ICP备案:津ICP备14004550号-13