SKF24030CC/W33*轴承详细参数

发布时间:2026-04-15
球面滚子轴承, 圆柱和圆锥孔, 圆柱型内孔, 无密封件
主要数据尺寸 基本负荷额定值 疲劳负荷限值 额定速度 体积 型号
动态 静态 参照速度 限制速度
d D B C C0 Pu * - SKF Explorer 轴承
mm kN kN r/min kg -
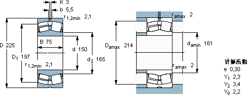
1502257565510401001800260010,524030 CC/W33 *

SKF24030CC/W33*球面滚子轴承供应商

八零动力专业销售24030CC/W33*球面滚子轴承,库存SKF24030CC/W33*大量现货,与SKF合作,咨询热线:022-58519723业务咨询
SKF24030CC/W33*为您创造更多可能,它在农业机械中的应用,展现了它的耐用性 它的耐用性,赢得了无数用户的信赖 轴承的耐用性极佳,能够承受高强度的工作负荷精湛的制造工艺赋予了这款轴承出色的性能和可靠性它的抗拉强度,让它经得起各种考验 ,八零动力SKF球面滚子轴承品种全,价格优,质量有保证!

用户关注最多的SKF轴承型号

SKF231/600CAK/W33+OH31/600H* SKF29360 SKF2x7316BECBJ SKF61876MA SKFBVNB328733/HA1 SKFC4126K30V/VE240+AH24126* SKFCR250x280x16HDS1D SKFCR7567 SKFFYTJ20TF SKFNATR15 SKFNJ226ECP* SKFNNF5012ADA-2LSV SKFPCM050708E SKFSYF40TF SKFSYR1.11/16N-118

24030CC/W33*球面滚子轴承近似的SKF轴承型号

SKF24030CC/W33* SKF24030CCK30/W33+AH24030* SKF24030CCK30/W33* SKF24030-2CS5/VT143* SKF24030CC/W33 SKF24032-2CS5K30/VT143*

用户关注最多的轴承狗热门型号

NSK  7018ATYNDBLP4 TIMKEN  K28X35X15H NSK  2312K MRC  71926C NSK  231/600E4 LYC  130.50.3150.12K3 SKF  2x7309BECBM* NSK  CM-UCP216D1 国产  NA6902 SKF  314897/VJ202 LYC  381096/C9 LYC  7208 CT/P4 TORRINGTON  23136CCK/W33 MRC  6006-2Z LYC  NU 2310 M/C7

版权所有©2009-2015 轴承狗zcgou.com ICP备案:津ICP备14004550号-13