SKF24028CC/W33*轴承详细参数

发布时间:2026-05-29
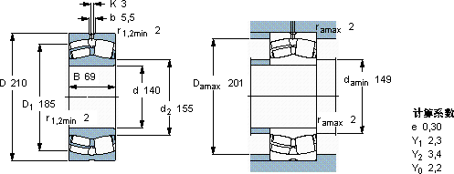
球面滚子轴承, 圆柱和圆锥孔, 圆柱型内孔, 无密封件
主要数据尺寸 基本负荷额定值 疲劳负荷限值 额定速度 体积 型号
动态 静态 参照速度 限制速度
d D B C C0 Pu * - SKF Explorer 轴承
mm kN kN r/min kg -
1402106957090088200028008,5524028 CC/W33 *

SKF24028CC/W33*球面滚子轴承供应商

八零动力专业销售24028CC/W33*球面滚子轴承,库存SKF24028CC/W33*大量现货,与SKF合作,咨询热线:022-58519723业务咨询
SKF24028CC/W33*该轴承的性能卓越,完全满足了各种严苛工况的需求这款轴承的运转平稳,几乎听不到任何噪音,令人惊艳它在化工设备中的应用,展现了它的耐腐蚀性 卓越的性能表现,使这款轴承在市场上拥有良好的口碑它的质量可靠,是众多机械设备制造商的首选配件轴承的稳定性和可靠性表现出色,赢得了用户的高度认可,八零动力SKF球面滚子轴承品种全,价格优,质量有保证!

用户关注最多的SKF轴承型号

SKF2307ETN9 SKF6210-2ZNR* SKF7017DB/P7 SKF7034AC SKFCR1900565 SKFFYM1.11/16TF/AH SKFFYRP2.11/16H-3 SKFHMV36E SKFIR15x18x16.5 SKFKR40B SKFN1017KTNHA/SP SKFNNC4964CV SKFNNCF5016CV SKFRNA4910RS SKFS7018CD/HCP4A

24028CC/W33*球面滚子轴承近似的SKF轴承型号

SKF24028-2CS5/VT143* SKF24028CCK30/W33+AH24028* SKF24028CCK30/W33* SKF24028CC/W33* SKF24028CC/W33 SKF24030-2CS5/VT143*

用户关注最多的轴承狗热门型号

SKF  2x7312BECCM* BARDEN  7032C/DB SKF  SYR3.1/2H SKF  CR27X43X7HMS5V INA  LR5204-2RS LYC  NUP 29/530 SKF  YAT211-200 SKF  NJ332ECMA* NSK  7015A5TYNDBLP4 LYC  BFC 4260210/HCP53 FAG  SNV200-L + 2222-K-M-C3 + H322X315 + TCV522 NSK  7010A5TYNSULP4 SKF  CR401801 TIMKEN  1103KRR3KRRB3 IKO  BHA1112Z

版权所有©2009-2015 轴承狗zcgou.com ICP备案:津ICP备14004550号-13