SKF24030CCK30/W33+AH24030*轴承详细参数

发布时间:2026-04-15
球面滚子轴承, 带退卸套的
主要数据尺寸 基本负荷额定值 疲劳负荷限值 额定速度 体积 型号
动态 静态 参照速度 限制速度 轴承 +退卸套
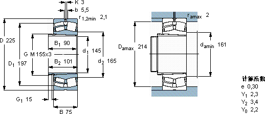
d1 D B C C0 Pu
* - SKF Explorer 轴承
mm kN kN r/min kg -
1452257565510401001800260011,324030 CCK30/W33 + AH 24030 *

SKF24030CCK30/W33+AH24030*球面滚子轴承供应商

八零动力专业销售24030CCK30/W33+AH24030*球面滚子轴承,库存SKF24030CCK30/W33+AH24030*大量现货,与SKF合作,咨询热线:022-58519723业务咨询
SKF24030CCK30/W33+AH24030*质量上乘的轴承,为设备的高效稳定运行奠定了基础轴承的稳定性和可靠性都十分出色,赢得了用户的信赖我们的轴承卓越的性能它的润滑技术,减少了润滑剂的使用 旋转不息它的长寿命,减少了资源浪费 ,八零动力SKF球面滚子轴承品种全,价格优,质量有保证!

用户关注最多的SKF轴承型号

SKF32040X SKF71920ACD/P4A SKFC2316K+AHX2316* SKFCR22X40X7HMSA10RG SKFCR25x52x10HMS4R SKFCR87875 SKFEE2TN9 SKFFYTBK25TR SKFNKXR35Z SKFNNTR60x150x75.2ZL SKFNU2313E SKFOKBS131 SKFRNAO40x50x34 SKFQJ215N2MA* SKFQJ334N2MA*

24030CCK30/W33+AH24030*球面滚子轴承近似的SKF轴承型号

SKF24030-2CS5/VT143* SKF24030CCK30/W33* SKF24030CCK30/W33+AH24030* SKF24030CC/W33* SKF24030CCK30/W33* SKF24030CC/W33

用户关注最多的轴承狗热门型号

SKF  71900CD/HCP4A NTN  7813CDT SKF  SNL4080GL STEYR  7301B KOYO  22256RK+H3156 SKF  CR41X56X7HMS5RG SKF  C41/500K30MB* SKF  5215A-2RS1 NACHI  7304BDT LYC  7212 AC/P5 STEYR  53206 SKF  619/1120MB INA  RCJ100 LYC  30226 /P5 IKO  NA4900

版权所有©2009-2015 轴承狗zcgou.com ICP备案:津ICP备14004550号-13