SKF239/900CAK/W33*轴承详细参数

发布时间:2026-04-25
球面滚子轴承, 圆柱和圆锥孔, 圆锥型内孔, 无密封件
主要数据尺寸 基本负荷额定值 疲劳负荷限值 额定速度 体积 型号
动态 静态 参照速度 限制速度
d D B C C0 Pu * - SKF Explorer 轴承
mm kN kN r/min kg -
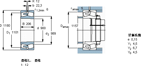
90011802067500170001020240450585239/900 CAK/W33 *

SKF239/900CAK/W33*球面滚子轴承供应商

八零动力专业销售239/900CAK/W33*球面滚子轴承,库存SKF239/900CAK/W33*大量现货,与SKF合作,咨询热线:022-58519723业务咨询
SKF239/900CAK/W33*该轴承的性能优越,极大地提高了设备的工作效率品质卓越的它,为机械设备的稳定、高效运行提供了支持它的滚动体分布均匀,运转平稳无振动 它的耐高温性能,让它在极端环境下依然稳定运行 这轴承的制造工艺精湛,展现出了极高的工业水准质量上乘的轴承,是提升机械设备性能的关键因素,八零动力SKF球面滚子轴承品种全,价格优,质量有保证!

用户关注最多的SKF轴承型号

SKF2216K+H316 SKF230/1060CAKF/W33 SKF231/750CA/W33 SKF231/530CAK/W33+OH31/530H* SKF351573 SKF6213-2Z/VA228 SKF71919C/DF SKF7210BECBJ SKFBC2-8008/HB1 SKFC2213V* SKFCR21759 SKFCR45X60X8HMSA10RG SKFCR9894 SKFPWM283430 SKFSNL3064/11.15/16TURT

239/900CAK/W33*球面滚子轴承近似的SKF轴承型号

SKF239/500CAK/W33+OH39/500H* SKF23956CC/W33 SKF23944CCK/W33+OH3944H SKF23936CC/W33 SKF239/950CAK/W33+OH39/950H SKF23984CC/W33* SKF23948CC/W33 SKF239/710CAK/W33* SKF23952CC/W33 SKF23964CCK/W33+OH3964H* SKF239/900CAK/W33+OH39/900H* SKF239/900CA/W33*

用户关注最多的轴承狗热门型号

国产  NU2372 TIMKEN  484/472A FLT  NU2210 TIMKEN  G1108KLLB FAG  6015-2RSR 国产  6200-2RS/Z2 NTN  7328B/DF INA  NA4906-RSR NACHI  6306NR SKF  NU2310ECP SKF  6300/HR22Q2 INA  SL014864 TIMKEN  180RU02 国产  6012 IKO  LWHDG25

版权所有©2009-2015 轴承狗zcgou.com ICP备案:津ICP备14004550号-13