SKF23948CCK/W33+OH3948H轴承详细参数

发布时间:2026-04-14
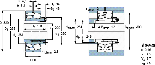
球面滚子轴承, 带紧定套的
主要数据尺寸 基本负荷额定值 疲劳负荷限值 额定速度 体积 型号
动态 静态 参照速度 限制速度 轴承 + 紧定套
d1 D B C C0 Pu
mm kN kN r/min kg -
220320605641160981700200024,523948 CCK/W33 + OH 3948 H

SKF23948CCK/W33+OH3948H球面滚子轴承供应商

八零动力专业销售23948CCK/W33+OH3948H球面滚子轴承,库存SKF23948CCK/W33+OH3948H大量现货,与SKF合作,咨询热线:022-58519723业务咨询
SKF23948CCK/W33+OH3948H它在包装机械中的应用,确保了设备的高效率 它的可回收性,体现了环保理念 就是选择高效与可靠转动不停歇给您意想不到的顺畅体验,顺滑无声,八零动力SKF球面滚子轴承品种全,价格优,质量有保证!

用户关注最多的SKF轴承型号

SKF22219CC/W33 SKF239/630CAK/W33* SKF241/600ECA/W33 SKF30238J2/DFC700 SKF31326XJ2/DF SKF6028 SKF71911ACE/HCP4A SKFCR20X47X7HMSA10V SKFFYRP2.7/16-18 SKFHE219 SKFLR8x12x12.5 SKFNU2319ECJ* SKFNU332ECM SKFP35TF SKFYAR207-104-2RF/HV

23948CCK/W33+OH3948H球面滚子轴承近似的SKF轴承型号

SKF23948CCK/W33 SKF23948CCK/W33+OH3948H SKF23948CC/W33 SKF23948CCK/W33 SKF23948CC/W33

用户关注最多的轴承狗热门型号

SKF  353093AU NACHI  160KBD031 FAG  SNV230-L + 22226-E1-K + H3126X407 + FSV526X407 SKF  NU1052MA STEYR  NJ238E TIMKEN  25584/25520D LYC  NU 1011 M BARDEN  7005AC LYC  32044 X2/P5 DKF  7307AC/DT NSK  NU304ET KOYO  23164CACK/W33 NTN  7206C/DT NSK  HR30226J NACHI  5201AN

版权所有©2009-2015 轴承狗zcgou.com ICP备案:津ICP备14004550号-13