SKF23956CCK/W33+OH3956H*轴承详细参数

发布时间:2026-04-15
球面滚子轴承, 带紧定套的
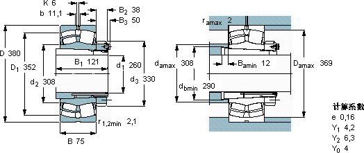
主要数据尺寸 基本负荷额定值 疲劳负荷限值 额定速度 体积 型号
动态 静态 参照速度 限制速度 轴承 + 紧定套
d1 D B C C0 Pu
* - SKF Explorer 轴承
mm kN kN r/min kg -
2603807584517601431400170040,023956 CCK/W33 + OH 3956 H *

SKF23956CCK/W33+OH3956H*球面滚子轴承供应商

八零动力专业销售23956CCK/W33+OH3956H*球面滚子轴承,库存SKF23956CCK/W33+OH3956H*大量现货,与SKF合作,咨询热线:022-58519723业务咨询
SKF23956CCK/W33+OH3956H*性能优越的轴承,极大地提升了设备的工作性能和效率制造工艺精湛,使得这款轴承的精度和稳定性都非常出色为您的工程保驾护航,卓越的性能表现,让这款轴承在市场上脱颖而出它的抗剪切性能,确保了它的结构稳定性 它的耐用性,赢得了无数用户的信赖 ,八零动力SKF球面滚子轴承品种全,价格优,质量有保证!

用户关注最多的SKF轴承型号

SKF6002-2RSH* SKF61960MA SKF6313-2RS1/HC5C3WT SKF7209BEGAP* SKF7340B SKFAHX3130G SKFCR280x330x24HDS1R SKFFNL515B SKFFYT1.TF/VA228 SKFGEC500TXA-2RS SKFNCF3096CV SKFNU220ECJ* SKFNUP2330ECMA* SKFOKBS69 SKFYET203-010

23956CCK/W33+OH3956H*球面滚子轴承近似的SKF轴承型号

SKF23956CCK/W33+OH3956H* SKF23956CCK/W33 SKF23956CC/W33 SKF23956CCK/W33 SKF23956CC/W33

用户关注最多的轴承狗热门型号

LYC  FCDP 96136500/P53/02 LYC  6309 E FAG  BND3068-H-C-T-AL-S FAG  SNV180-L + 2220-K-M-C3 + H320X308 + TCV520X308 SKF  H3130 SKF  UEL204 NSK  7932CDF SNFA  7036C SKF  22330CCK/W33+H2330 INA  RCJY35-JIS LYC  2788/1712 INA  RALTR20 SKF  CR23782 TIMKEN  90RIF399 IKO  TAW5550Z

版权所有©2009-2015 轴承狗zcgou.com ICP备案:津ICP备14004550号-13