SKF232/560CAK/W33+OH32/560H轴承详细参数

发布时间:2026-04-28
球面滚子轴承, 带紧定套的
主要数据尺寸 基本负荷额定值 疲劳负荷限值 额定速度 体积 型号
动态 静态 参照速度 限制速度 轴承 + 紧定套
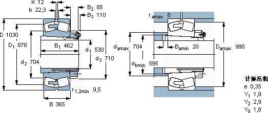
d1 D B C C0 Pu
mm kN kN r/min kg -
5301030365115002200014002804301490232/560 CAK/W33 + OH 32/560 H

SKF232/560CAK/W33+OH32/560H球面滚子轴承供应商

八零动力专业销售232/560CAK/W33+OH32/560H球面滚子轴承,库存SKF232/560CAK/W33+OH32/560H大量现货,与SKF合作,咨询热线:022-58519723业务咨询
SKF232/560CAK/W33+OH32/560H它的高效率,减少了能源消耗 稳定的传奇这轴承的设计精妙,充分考虑了各种实际应用需求高精度低摩擦它的抗氧化性能,延长了它的使用寿命 它的抗冲击性能,让它经得起各种考验 ,八零动力SKF球面滚子轴承品种全,价格优,质量有保证!

用户关注最多的SKF轴承型号

SKF23030CCK/W33* SKF23238CCK/W33+H2338 SKF30210J2/QDF SKF619/750MA SKF7213BEGAF SKFC3120KV+H3120E* SKFC4060M* SKFC4132V* SKFCR10494 SKFCR14X30X7HMS5V SKFCR30125 SKFFY17TF SKFN213ECP SKFPDNB324 SKFSY30TF

232/560CAK/W33+OH32/560H球面滚子轴承近似的SKF轴承型号

SKF23248CCK/W33+OH2348H* SKF23236CC/W33* SKF232/670CA/W33 SKF232/670CAK/W33 SKF23264CC/W33* SKF23224CCK/W33+AHX3224G* SKF22232CC/W33* SKF232/670CAK/W33+OH32/670H SKF23224-2CS5/VT143* SKF23226-2CS5/VT143* SKF232/560CAK/W33+AOH32/560 SKF232/560CAK/W33

用户关注最多的轴承狗热门型号

SKF  CR40X68X10HMS5RG TIMKEN  A5069/A5144 BARDEN  71920C/DF SKF  CR402756 NACHI  7032CDB SKF  NU1044 STEYR  NUP2320E SNR  7003AC/DT 国产  30615 SKF  NJ205E NSK  NN3005MBKR 国产  1317K NACHI  6805-2NKE TIMKEN  TU-3x* INA  RMWE15-RB/79x../28

版权所有©2009-2015 轴承狗zcgou.com ICP备案:津ICP备14004550号-13