SKF23226CCK/W33+AHX3226G*轴承详细参数

发布时间:2026-04-14
球面滚子轴承, 带退卸套的
主要数据尺寸 基本负荷额定值 疲劳负荷限值 额定速度 体积 型号
动态 静态 参照速度 限制速度 轴承 +退卸套
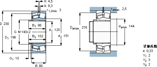
d1 D B C C0 Pu
* - SKF Explorer 轴承
mm kN kN r/min kg -
1252308078010601041900260015,523226 CCK/W33 + AHX 3226 G *

SKF23226CCK/W33+AHX3226G*球面滚子轴承供应商

八零动力专业销售23226CCK/W33+AHX3226G*球面滚子轴承,库存SKF23226CCK/W33+AHX3226G*大量现货,与SKF合作,咨询热线:022-58519723业务咨询
SKF23226CCK/W33+AHX3226G*这款轴承的运转十分平稳,几乎感受不到任何震动它在纺织机械中的应用,确保了设备的高速运转 它的低摩擦设计,减少了能量损耗 这款轴承的性能卓越,有效提高了设备的运行可靠性优秀的设计和卓越的性能,让这款轴承备受青睐质量无可挑剔的轴承,在行业内树立了良好的口碑和形象,八零动力SKF球面滚子轴承品种全,价格优,质量有保证!

用户关注最多的SKF轴承型号

SKF29364 SKF61914 SKF6307/HR11QN SKF71918DB/P7 SKF7210BEGAP* SKFBTM90B/P4CDBB SKFCR1225600 SKFCR1475420 SKFCR33X45X7HMSA10RG SKFCR40X68X8HMS5RG SKFHE318E SKFPCM505540E SKFPCZ5640B SKFQJ328N2MA SKFSNW120x3.1/2

23226CCK/W33+AHX3226G*球面滚子轴承近似的SKF轴承型号

SKF23226CC/W33* SKF23226-2CS5/VT143* SKF23226-2CS5K/VT143* SKF23226CCK/W33* SKF23226CCK/W33+H2326 SKF23226CCK/W33+AHX3226G* SKF23226CCK/W33* SKF23226CCK/W33+H2326

用户关注最多的轴承狗热门型号

LYC  380680 FAG  BND3140-H-C-T-BL-S SKF  NU221ECP INA  SL182924 SKF  HE3126L LYC  011.25.575.03/P5 FAG  SNV100-L + 1211-K-TVH-C3 + H211X200 + TCV511X200 NACHI  239/600EW33 SKF  70876AMB KOYO  53204U NTN  NU415 INA  RWS1808-225/x225/x208 TIMKEN  HM252344/HM252315D STEYR  NU303 Stieber  DC2222G-N

版权所有©2009-2015 轴承狗zcgou.com ICP备案:津ICP备14004550号-13