SKF232/710CAK/W33+OH32/710H轴承详细参数

发布时间:2026-04-14
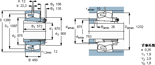
球面滚子轴承, 带紧定套的
主要数据尺寸 基本负荷额定值 疲劳负荷限值 额定速度 体积 型号
动态 静态 参照速度 限制速度 轴承 + 紧定套
d1 D B C C0 Pu
mm kN kN r/min kg -
6701280450176003450020002003202995232/710 CAK/W33 + OH 32/710 H

SKF232/710CAK/W33+OH32/710H球面滚子轴承供应商

八零动力专业销售232/710CAK/W33+OH32/710H球面滚子轴承,库存SKF232/710CAK/W33+OH32/710H大量现货,与SKF合作,咨询热线:022-58519723业务咨询
SKF232/710CAK/W33+OH32/710H轴承的选材精良,确保了其具有良好的耐磨性和抗腐蚀性它的可回收性,减少了废弃物处理成本 卓越的性能表现,使这款轴承在市场上拥有良好的口碑它的故障率极低,确保了设备的稳定运行 它的品质卓越,为机械设备的高效、稳定运行保驾护航它的轴向跳动控制,确保了机械的平稳运行 ,八零动力SKF球面滚子轴承品种全,价格优,质量有保证!

用户关注最多的SKF轴承型号

SKF2x466880 SKF51076F SKF61992 SKF71914C SKF7208AC/DF SKF7319B/DB SKFBT4B332663/HA4 SKFCR99334 SKFGS81272 SKFNJ209ECM* SKFNJ322ECP SKFNK20/16 SKFNNU6932V SKFSYR3.7/16NH-118 SKFW618/6

232/710CAK/W33+OH32/710H球面滚子轴承近似的SKF轴承型号

SKF23244CC/W33* SKF23292CAK/W33+OH3292H* SKF23252CCK/W33+AOH2352G* SKF232/560CAK/W33+OH32/560H SKF23232CCK/W33* SKF232/670CAK/W33+AOH32/670G SKF22328CCJA/W33VA405* SKF23232CCK/W33+AH3232G* SKF232/500CAK/W33* SKF22328-2CS5/VT143* SKF232/710CAK/W33+AOH32/710G SKF232/710CAK/W33

用户关注最多的轴承狗热门型号

SKF  NU324ECM* FAG  BND3240-H-W-T-BL-S 国产  N317/Z2 NACHI  O-15 TIMKEN  46176/46368 NACHI  NP344 RIV  NU322 SKF  NNF5034ADA-2LSV FAG  BND2236-H-W-T-BL-S FAG  B7211-E-T-P4S SKF  FY55FM SKF  61876MA SKF  PCZ1014M SKF  GEZ408TXA-2LS IKO  PHS4EC

版权所有©2009-2015 轴承狗zcgou.com ICP备案:津ICP备14004550号-13