SKF23228CCK/W33+AHX3228G*轴承详细参数

发布时间:2026-04-14
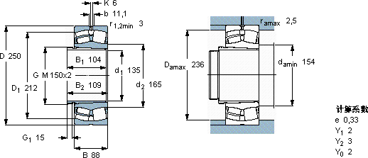
球面滚子轴承, 带退卸套的
主要数据尺寸 基本负荷额定值 疲劳负荷限值 额定速度 体积 型号
动态 静态 参照速度 限制速度 轴承 +退卸套
d1 D B C C0 Pu
* - SKF Explorer 轴承
mm kN kN r/min kg -
1352508891512501201700240020,523228 CCK/W33 + AHX 3228 G *

SKF23228CCK/W33+AHX3228G*球面滚子轴承供应商

八零动力专业销售23228CCK/W33+AHX3228G*球面滚子轴承,库存SKF23228CCK/W33+AHX3228G*大量现货,与SKF合作,咨询热线:022-58519723业务咨询
SKF23228CCK/W33+AHX3228G*它的质量过硬,为机械设备的高效、安全运行提供了保障给您意想不到的顺畅体验,它虽小,却是工业革命的基石 它在机床设备中的应用,确保了加工精度 为设备的精确运行提供了保障,该轴承的精度控制精准,为设备的精确运行提供了保障它在电子设备中的应用,展现了它的高精密性 ,八零动力SKF球面滚子轴承品种全,价格优,质量有保证!

用户关注最多的SKF轴承型号

SKF2211EKTN9+H311 SKF22356CCK/W33+OH2356H* SKF5210A-2Z* SKF7038C SKF7203BEGAP* SKF7209CD/HCP4A SKF7216BEGAP* SKFAMS20ABP SKFCR19992 SKFCR20X35X6HMSA10V SKFCR31189 SKFCR6386 SKFFYKC35NTH SKFNJ2211E+HJ2211E SKFYAR216-300-2F/AH

23228CCK/W33+AHX3228G*球面滚子轴承近似的SKF轴承型号

SKF23228-2CS5K/VT143* SKF23228CCK/W33* SKF23228CC/W33* SKF23228-2CS5/VT143* SKF23228CCK/W33+H2328* SKF23228CCK/W33+AHX3228G* SKF23228CCK/W33* SKF23228CCK/W33+H2328*

用户关注最多的轴承狗热门型号

SKF  CR87585 SKF  GE140ES-2LS LYC  GYSY2 ASK  NJ218 KOYO  33275/462 FAG  HCB71909-E-2RSD-T-P4S FAG  F-803186.ZL-K-C3 SKF  FSYE3.1/2H-18 NACHI  6203-2NKE FAG  BND2230-H-W-Y-AF-S SKF  K58x65x18 IKO  SB45A IKO  IRT1212-1 IKO  LRT14015535 IKO  TAF162420-SG

版权所有©2009-2015 轴承狗zcgou.com ICP备案:津ICP备14004550号-13