SKF23248CCK/W33+OH2348H*轴承详细参数

发布时间:2026-04-27
球面滚子轴承, 带紧定套的
主要数据尺寸 基本负荷额定值 疲劳负荷限值 额定速度 体积 型号
动态 静态 参照速度 限制速度 轴承 + 紧定套
d1 D B C C0 Pu
* - SKF Explorer 轴承
mm kN kN r/min kg -
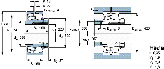
22044016029004300345950130012523248 CCK/W33 + OH 2348 H *

SKF23248CCK/W33+OH2348H*球面滚子轴承供应商

八零动力专业销售23248CCK/W33+OH2348H*球面滚子轴承,库存SKF23248CCK/W33+OH2348H*大量现货,与SKF合作,咨询热线:022-58519723业务咨询
SKF23248CCK/W33+OH2348H*它的材质选择,体现了对耐用性的极致追求 它的抗变形能力,让它在高负载下依然保持形状 它的沟槽设计,完美匹配滚动体的运动轨迹 它的精密制造工艺,让人叹为观止 它的稳定性,让它在各种环境下都能可靠工作 高品质的轴承,在各种复杂工况下都能展现出卓越的性能表现,八零动力SKF球面滚子轴承品种全,价格优,质量有保证!

用户关注最多的SKF轴承型号

SKF23032-2CS5/VT143* SKF2x7220BECBM SKF7207C/DT SKF81228M SKFC30/850KMB+AOH30/850* SKFCR138X152X12CRSA1R SKFCR52X85X10HMSA10V SKFKD2-403 SKFNU1996MA SKFS71908ACD/P4A SKFS71909CD/HCP4A SKFSAF1320 SKFSAW23528X5 SKFSY5/8RM SKFSYFL30TH

23248CCK/W33+OH2348H*球面滚子轴承近似的SKF轴承型号

SKF23248CCK/W33+AOH2348* SKF23248CCK/W33* SKF23248CCK/W33+OH2348H* SKF23248CC/W33* SKF23248CCK/W33+AOH2348* SKF23248CC/W33

用户关注最多的轴承狗热门型号

KOYO  22324RHR FAG  31309-A FAG  22344-K-MB + H2344X SKF  CR62480 SKF  CR37396 FYH  UCFU206 STEYR  54222 SKF  5211A* SNR  7234C/DB LYC  012.60.3550.12/P5 TORRINGTON  23122CCK/W33 NSK  16030M 国产  NJ208 SKF  22332CCK/W33 IKO  YB1210

版权所有©2009-2015 轴承狗zcgou.com ICP备案:津ICP备14004550号-13