SKF23284CAK/W33*轴承详细参数

发布时间:2026-04-15
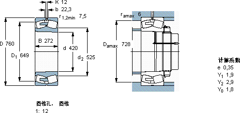
球面滚子轴承, 圆柱和圆锥孔, 圆锥型内孔, 无密封件
主要数据尺寸 基本负荷额定值 疲劳负荷限值 额定速度 体积 型号
动态 静态 参照速度 限制速度
d D B C C0 Pu * - SKF Explorer 轴承
mm kN kN r/min kg -
42076027273501160076545063052023284 CAK/W33 *

SKF23284CAK/W33*球面滚子轴承供应商

八零动力专业销售23284CAK/W33*球面滚子轴承,库存SKF23284CAK/W33*大量现货,与SKF合作,咨询热线:022-58519723业务咨询
SKF23284CAK/W33*其设计和制造都达到了极高的水准,是一款不可多得的轴承它的润滑技术,让摩擦降至最低 这轴承的精度控制令人佩服,为设备的精准运行提供了保障它的精准度,让机械运转分毫不差 从制造工艺到实际性能,这款轴承都表现得十分出色,品质卓越的它,在各种工况下都能展现出优异的性能,八零动力SKF球面滚子轴承品种全,价格优,质量有保证!

用户关注最多的SKF轴承型号

SKF292/600EM SKF316353DC SKF6200-ZN SKF6205NR* SKF71911C/DT SKF7311BEGAP* SKFCR25748 SKFCR28474 SKFCR55X80X10HMSA10RG SKFCR73745 SKFFYM1.1/2TF/AH SKFGEH50TXG3E-2LS SKFNJ305ECP SKFNUKR62A SKFSAF22617x2.7/8

23284CAK/W33*球面滚子轴承近似的SKF轴承型号

SKF23284CA/W33* SKF23284CAK/W33* SKF23284CAK/W33+OH3284H* SKF23284CAK/W33+AOH3284G* SKF23284CAC/W33 SKF23284CAK/W33+AOH3284G*

用户关注最多的轴承狗热门型号

NSK  22252CAE4 NSK  RCB-121616-FS NTN  33022 INA  KSR16-L0-12-10-15-09 国产  F/35*43*32 LYC  6324 E/P5 INA  VLI200414-N FAG  7219-B-JP SKF  7222BECBY FLT  NUP216 FAG  NUP206-E-TVP2 TIMKEN  39KTD SKF  C4910V* TIMKEN  NJ309E.TVP* IKO  CRBS20013AUU

版权所有©2009-2015 轴承狗zcgou.com ICP备案:津ICP备14004550号-13