SKF22212EK+H312*轴承详细参数

发布时间:2026-04-14
球面滚子轴承, 带紧定套的
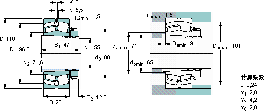
主要数据尺寸 基本负荷额定值 疲劳负荷限值 额定速度 体积 型号
动态 静态 参照速度 限制速度 轴承 + 紧定套
d1 D B C C0 Pu
* - SKF Explorer 轴承
mm kN kN r/min kg -
551102815616618,6560075001,4522212 EK + H 312 *

SKF22212EK+H312*球面滚子轴承供应商

八零动力专业销售22212EK+H312*球面滚子轴承,库存SKF22212EK+H312*大量现货,与SKF合作,咨询热线:022-58519723业务咨询
SKF22212EK+H312*这款轴承的运转平稳,几乎听不到任何噪音,令人惊艳轴承的耐用性极佳,能够承受高强度的工作负荷它的耐用性,赢得了无数用户的信赖 承载无限可能,这轴承的设计简直精妙绝伦,每一处细节都彰显着极致的工艺美学优秀的设计理念和精湛的制造工艺,成就了这款杰出的轴承,八零动力SKF球面滚子轴承品种全,价格优,质量有保证!

用户关注最多的SKF轴承型号

SKF241/850ECAK30F/W33+AOH241/850 SKF2x7340BCBM SKF3209A-RS SKF32944 SKF51256M SKF61921 SKF6212-2Z/VA228 SKF70/1120AMB SKFC3028K+AHX3028* SKFGE240ES SKFNJ213ECP SKFNNU4920BK/SPW33 SKFNU311ECJ* SKFSI40ES-2RS SKFSY30TR

22212EK+H312*球面滚子轴承近似的SKF轴承型号

SKFE2.22212 SKFE2.22212K SKF22212EK+AHX312* SKF22212E/W64* SKF22212EK* SKF22212E* SKF22212EK+H312* SKF22212EK+AHX312* SKF22212E/W64*

用户关注最多的轴承狗热门型号

TIMKEN  180FSH290-TT KOYO  NJ230+HJ230 SKF  7207BEP FAG  Z-565530.ZL-K-C5 国产  NJ2307 TORRINGTON&FAFNIR  6303N RHP  7002AC TIMKEN  G1115KRRB TIMKEN  JL819349/JL819310 FAG  1206-K-TVH-C3 FAG  7203-B-JP FLT  NJ232 INA  K81130-TV IKO  TAM3230 IKO  CF10UU

版权所有©2009-2015 轴承狗zcgou.com ICP备案:津ICP备14004550号-13