SKF231/710CA/W33轴承详细参数

发布时间:2026-04-14
球面滚子轴承, 圆柱和圆锥孔, 圆柱型内孔, 无密封件
主要数据尺寸 基本负荷额定值 疲劳负荷限值 额定速度 体积 型号
动态 静态 参照速度 限制速度
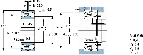
d D B C C0 Pu
mm kN kN r/min kg -
7101150345122002600015302404501450231/710 CA/W33

SKF231/710CA/W33球面滚子轴承供应商

八零动力专业销售231/710CA/W33球面滚子轴承,库存SKF231/710CA/W33大量现货,与SKF合作,咨询热线:022-58519723业务咨询
SKF231/710CA/W33这款轴承的精度极高,能够满足对精度要求苛刻的设备承载无限可能,它在建筑机械中的应用,确保了设备的可靠性 为设备的精确运行提供了保障,该轴承的精度控制精准,为设备的精确运行提供了保障设计合理、性能优良的轴承,是机械设备的理想之选它的可回收性,体现了环保理念 ,八零动力SKF球面滚子轴承品种全,价格优,质量有保证!

用户关注最多的SKF轴承型号

SKF32964 SKF61900-2RS1 SKF6022-2Z* SKF6306-2Z/VA228 SKF7006ACE/P4A SKF7216BEP SKFBTM70A/HCP4CDBA SKFC4032-2CS5V* SKFCR38X55X8HMSA10V SKFNJ230ECML* SKFK22x32x24 SKFN314ECP* SKFNATR15PPA SKFNKI30/30 SKFSNL3096L

231/710CA/W33球面滚子轴承近似的SKF轴承型号

SKF23156CC/W33* SKF231/710CAK/W33+OH31/710H SKF23128CCK/W33+AHX3128* SKF23140-2CS5K/VT143* SKFBS2-2315-2CS/VT143* SKF23180CA/W33* SKF23188CA/W33* SKF23164CCK/W33+AOH3164G* SKF23130CC/W33* SKF22316EK+AHX2316* SKF231/710CAK/W33 SKF231/750CAK/W33+AOH31/750

用户关注最多的轴承狗热门型号

RHP  7203C/DT INA  PAPZ2420-P10 SKF  SAW23524x4.1/4 SKF  FSYE3.15/16 NTN  UCK316 STEYR  NJ2312E KOYO  24156RR TIMKEN  93800D/93125 TIMKEN  M241547C/M241513D NSK  LM293830 MRC  7000C/DB 国产  FC3452192 IKO  KT404820 IKO  RNA6918 IKO  CF10VRM

版权所有©2009-2015 轴承狗zcgou.com ICP备案:津ICP备14004550号-13