SKF23188CAK/W33*轴承详细参数

发布时间:2026-04-15
球面滚子轴承, 圆柱和圆锥孔, 圆锥型内孔, 无密封件
主要数据尺寸 基本负荷额定值 疲劳负荷限值 额定速度 体积 型号
动态 静态 参照速度 限制速度
d D B C C0 Pu * - SKF Explorer 轴承
mm kN kN r/min kg -
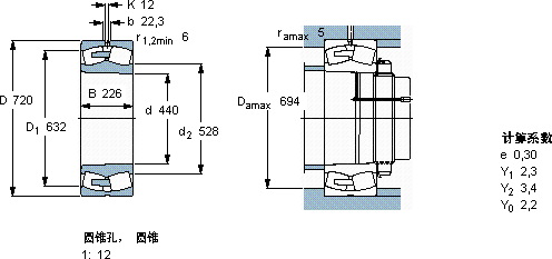
44072022660001000067045085035023188 CAK/W33 *

SKF23188CAK/W33*球面滚子轴承供应商

八零动力专业销售23188CAK/W33*球面滚子轴承,库存SKF23188CAK/W33*大量现货,与SKF合作,咨询热线:022-58519723业务咨询
SKF23188CAK/W33*这轴承的设计巧妙,充分考虑了设备的运行需求和维护便利性卓越的性能和可靠的质量,让这款轴承成为市场的宠儿顺滑无声它的耐磨性能,让它在恶劣环境下依然稳定运行 先进的制造工艺,让这款轴承的性能更加稳定可靠没有轴承,现代机械将寸步难行,,八零动力SKF球面滚子轴承品种全,价格优,质量有保证!

用户关注最多的SKF轴承型号

SKF1202ETN9 SKF3320DMA SKF358158 SKF61800-2RS1 SKF7313BECBM SKFBTM80A/HCP4CDBA SKFBK1312 SKFE2.6205-2Z/C3 SKFHMV126E SKFK32x40x42ZWTN SKFNKI42/30 SKFNNCL4830CV SKFNNCL4836CV SKFNU2320ECM* SKFPNA17/35

23188CAK/W33*球面滚子轴承近似的SKF轴承型号

SKF23188CAK/W33* SKF23188CA/W33* SKF23188CAK/W33+AOHX3188G* SKF23188CAK/W33+OH3188H* SKF23188CAC/W33 SKF23188CAK/W33+AOHX3188G*

用户关注最多的轴承狗热门型号

SKF  23264CAC/W33 TORRINGTON&FAFNIR  71912C SKF  RNU2207ECP* SKF  316200 MRC  7311C SKF  CR345x390x25HS8R NSK  232/710CAME4 LYC  23126 CA INA  GE160-DO-2RS DKF  7302AC/DT TIMKEN  22324CJ MRC  7304B/DF NSK  629Z SKF  7312BEM IKO  MXS30

版权所有©2009-2015 轴承狗zcgou.com ICP备案:津ICP备14004550号-13