SKF231/600CA/W33*轴承详细参数

发布时间:2026-04-14
球面滚子轴承, 圆柱和圆锥孔, 圆柱型内孔, 无密封件
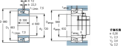
主要数据尺寸 基本负荷额定值 疲劳负荷限值 额定速度 体积 型号
动态 静态 参照速度 限制速度
d D B C C0 Pu * - SKF Explorer 轴承
mm kN kN r/min kg -
60098030010200180001100320560895231/600 CA/W33 *

SKF231/600CA/W33*球面滚子轴承供应商

八零动力专业销售231/600CA/W33*球面滚子轴承,库存SKF231/600CA/W33*大量现货,与SKF合作,咨询热线:022-58519723业务咨询
SKF231/600CA/W33*轴承的稳定性和可靠性都十分出色,赢得了用户的信赖这轴承的设计简直精妙绝伦,每一处细节都彰显着极致的工艺美学卓越的性能表现,使这款轴承在市场上拥有良好的口碑它的轴向游隙控制,精准到令人惊叹 品质永相随先进的制造工艺,让这款轴承的性能更加稳定可靠,八零动力SKF球面滚子轴承品种全,价格优,质量有保证!

用户关注最多的SKF轴承型号

SKF7011DB/P7 SKF7201CD/P4A SKF7217AC/DT SKFC3024KV+H3024* SKFC4918K30V* SKFCR31177 SKFCR430x479.98x22HDS1V SKFCR52X80X10HMS5RG SKFCR64X85X13CRSH13R SKFN307E SKFPCM8085100M SKFSAFC2530 SKFSDAF23184 SKFSY40FM SKFSYE2.7/16-3

231/600CA/W33*球面滚子轴承近似的SKF轴承型号

SKF23176CA/W33* SKF23138-2CS5K/VT143* SKF23196CA/W33* SKF23196CAK/W33+AOHX3196G* SKF231/1000CAK/W33+OH31/1000H SKF231/1000CAKF/W33+AOH31/1000 SKF23196CAK/W33+OH3196H* SKF23196CAK/W33* SKF23180CA/W33* SKF231/670CAK/W33+OH31/670H SKF231/600CAK/W33* SKF231/630CAK/W33+AOH31/630*

用户关注最多的轴承狗热门型号

FAG  SNV090-L + 1308-K-TVH-C3 + H308X106 + DHV608 FAG  KUG2,778 TIMKEN  9074/9194 NTN  239/1000K TIMKEN  799/792CD/X1S-799 NACHI  SN216 LYC  22317/P5 NSK  22334CAMKE4 SKF  CR320x358x19HDS1R SKF  GEC400TXA-2RS KOYO  53309U SKF  NU264MA SKF  C3972KM+OH3972HE* NSK  45BER20SV1V NSK  230/560CAKE4

版权所有©2009-2015 轴承狗zcgou.com ICP备案:津ICP备14004550号-13