SKF23120-2CS2/VT143*轴承详细参数

发布时间:2026-04-26
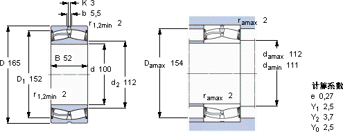
球面滚子轴承, 圆柱和圆锥孔, 圆柱型内孔, 两面密封件, 氟橡胶
主要数据尺寸 基本负荷额定值 疲劳负荷限值 额定速度 体积 型号
动态 静态 参照速度 限制速度
d D B C C0 Pu * - SKF Explorer 轴承
mm kN kN r/min kg -
1001655236549053-8504,4023120-2CS2/VT143 *

SKF23120-2CS2/VT143*球面滚子轴承供应商

八零动力专业销售23120-2CS2/VT143*球面滚子轴承,库存SKF23120-2CS2/VT143*大量现货,与SKF合作,咨询热线:022-58519723业务咨询
SKF23120-2CS2/VT143*它的每一次转动,都是对效率的极致追求 它的耐腐蚀性,减少了维护成本 它机械世界的心脏,默默支撑着无数设备的运转 这轴承的设计精妙,充分考虑了各种实际应用需求承载重载历经岁月每一次转动都是精准与力量的完美呈现,,八零动力SKF球面滚子轴承品种全,价格优,质量有保证!

用户关注最多的SKF轴承型号

SKFBT4B328727G/HA1VA901 SKFCR270x310x20HS8R SKFCR27X42X10HMS5V SKFCR75054 SKFCR85019 SKFCR88760 SKFCR95X110X9CRS1R SKFFNL512B SKFFY1/2RM SKFFYT1.3/16TF SKFFYTBKC35NTH SKFNK37/20 SKFNNF5040ADA-2LSV SKFSNP3068x12.7/16 SKFT2EE060/Q

23120-2CS2/VT143*球面滚子轴承近似的SKF轴承型号

SKF23120CCK/W33+AHX3120* SKF23120-2CS2/VT143* SKF23120CCK/W33* SKF23120CCK/W33+H3120* SKF23120CC/W33* SKF2312 SKF23120CCK/W33

用户关注最多的轴承狗热门型号

TIMKEN  50BIC225 SKF  NNU6944V INA  K81213-TV NSK  HR33118J 国产  2315 FLT  NUP2309 NACHI  6201 ZKL  NU324 SKF  23124CCK/W33+H3124* FAG  SD3152-H-TS-BF-L + 23152-K-MB MRC  6056 国产  6305-2RS/Z2 TIMKEN  230RT02 SNR  7318C/DT SKF  6218-2Z

版权所有©2009-2015 轴承狗zcgou.com ICP备案:津ICP备14004550号-13