SKF231/670CA/W33轴承详细参数

发布时间:2026-05-29
球面滚子轴承, 圆柱和圆锥孔, 圆柱型内孔, 无密封件
主要数据尺寸 基本负荷额定值 疲劳负荷限值 额定速度 体积 型号
动态 静态 参照速度 限制速度
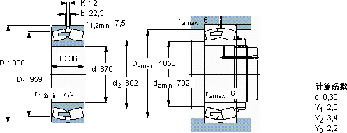
d D B C C0 Pu
mm kN kN r/min kg -
6701090336109002240013702405001250231/670 CA/W33

SKF231/670CA/W33球面滚子轴承供应商

八零动力专业销售231/670CA/W33球面滚子轴承,库存SKF231/670CA/W33大量现货,与SKF合作,咨询热线:022-58519723业务咨询
SKF231/670CA/W33先进的制造技术和严格的质量检测,造就了这款优质轴承开启顺畅运行新时代,它的稳定性,让它在各种环境下都能可靠工作 轴承的耐用性超乎想象,有效降低了设备的维护成本承载无限可能,高精度低摩擦,八零动力SKF球面滚子轴承品种全,价格优,质量有保证!

用户关注最多的SKF轴承型号

SKF23132CCK/W33 SKF23160CACK/W33 SKF3209A-2RS SKF33210/Q SKFBT4B328913BG/HA1 SKFCR401204 SKFFYNT55F SKFK20x28x20 SKFN07 SKFNNCL4868CV SKFPCM404420M SKFRNA49/32 SKFS7009ACD/HCP4A SKFSNL3092LTURT SKFYAR207-2RF

231/670CA/W33球面滚子轴承近似的SKF轴承型号

SKF22315E* SKF231/600CAK/W33+AOH31/600* SKF23160-2CS5/VT143* SKF23122-2CS5/VT143* SKF23152-2CS5/VT143* SKF23128CC/W33* SKF23120CC/W33* SKF23152-2CS5K/VT143* SKF23188CAK/W33+OH3188H* SKF23148CC/W33* SKF231/670CAK/W33 SKF231/800CA/W33

用户关注最多的轴承狗热门型号

INA  DRS40100 SKF  CR99237 FAG  234709-M-SP TIMKEN  320RT30 SNR  60/22-2RS LYC  HM 89440 AC/HM 89410 FAG  S6306 LYC  LM 281049 DWG/LM 281010 /LM 281010 D KOYO  NN3013 LYC  NU 330 Q1/P69S0 TIMKEN  31593/31521 SKF  21313EK+AH313G* SKF  HA307E LYC  7224 ACM KOYO  NJ2222E+HJ2222E

版权所有©2009-2015 轴承狗zcgou.com ICP备案:津ICP备14004550号-13