SKF23184CKJ/W33+OH3184H*轴承详细参数

发布时间:2026-05-30
球面滚子轴承, 带紧定套的
主要数据尺寸 基本负荷额定值 疲劳负荷限值 额定速度 体积 型号
动态 静态 参照速度 限制速度 轴承 + 紧定套
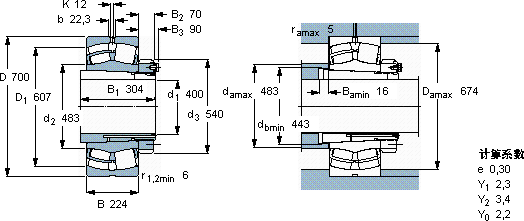
d1 D B C C0 Pu
* - SKF Explorer 轴承
mm kN kN r/min kg -
4007002245600930062048090041023184 CKJ/W33 + OH 3184 H *

SKF23184CKJ/W33+OH3184H*球面滚子轴承供应商

八零动力专业销售23184CKJ/W33+OH3184H*球面滚子轴承,库存SKF23184CKJ/W33+OH3184H*大量现货,与SKF合作,咨询热线:022-58519723业务咨询
SKF23184CKJ/W33+OH3184H*它的每一次转动,都是对精准度的极致追求 高品质的轴承,在各种复杂工况下都能展现出卓越的性能表现零误差起步它在建筑机械中的应用,确保了设备的可靠性 它的抗拉强度,让它经得起各种考验 让您的机械如虎添翼,,八零动力SKF球面滚子轴承品种全,价格优,质量有保证!

用户关注最多的SKF轴承型号

SKF2209EKTN9+H309 SKF23132CC/W33 SKF61802-2RS1 SKF71918CE/HCP4A SKFBEAB351868 SKFC30/1000KMB* SKFFSAF1516 SKFGAC80F SKFNU244ECMA SKFPCMF060804B SKFSDAF230/530KAx19.1/2 SKFSNL3084FTURT SKFSNW3038x6.13/16 SKFSYE3.1/2NH-118 SKFSYH2.1/4WF

23184CKJ/W33+OH3184H*球面滚子轴承近似的SKF轴承型号

SKF23184CKJ/W33* SKF23184CKJ/W33+OH3184H* SKF23184CKJ/W33+AOH3184G* SKF23184CJ/W33* SKF23184CKJ/W33+AOH3184G* SKF231/850CA/W33

用户关注最多的轴承狗热门型号

MAC  NJ207 SKF  PF1.11/16WF FAG  NJ248-E-M1 + HJ248E FLT  NU332 FAG  BND3044-H-W-Y-AL-S LYC  6206 E-RZ LYC  87864 NSK  24184CAK30E4 NACHI  230/750EW33 NSK  30340D TIMKEN  28985/28921D/X3S-28985 STEYR  2217K SKF  24084CAC/W33 IKO  BA59Z IKO  GTR11013550

版权所有©2009-2015 轴承狗zcgou.com ICP备案:津ICP备14004550号-13