SKF231/800CA/W33轴承详细参数

发布时间:2026-05-29
球面滚子轴承, 圆柱和圆锥孔, 圆柱型内孔, 无密封件
主要数据尺寸 基本负荷额定值 疲劳负荷限值 额定速度 体积 型号
动态 静态 参照速度 限制速度
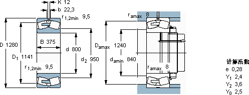
d D B C C0 Pu
mm kN kN r/min kg -
8001280375148003150018002004001920231/800 CA/W33

SKF231/800CA/W33球面滚子轴承供应商

八零动力专业销售231/800CA/W33球面滚子轴承,库存SKF231/800CA/W33大量现货,与SKF合作,咨询热线:022-58519723业务咨询
SKF231/800CA/W33这轴承的稳定性极佳,在高速运转时也能保持良好状态转动精彩高品质的轴承,在各种复杂工况下都能展现出卓越的性能表现这轴承的稳定性极佳,即使在恶劣环境下也能正常工作先进的制造技术,让这款轴承的质量达到了行业领先水平它的润滑技术,减少了摩擦和磨损 ,八零动力SKF球面滚子轴承品种全,价格优,质量有保证!

用户关注最多的SKF轴承型号

SKF294/560 SKF294/750 SKF32220T140J2/DB11 SKF7218AC SKFAH3034 SKFAHX2317/75 SKFCR27467 SKFCR35X55X8CRW1R SKFCR42x65x8CRW1V SKFCR45X60X7HMS5V SKFFYRP1.15/16H SKFLM29749/711/QCL7CVA607 SKFN1012KTNHA/HC5SP SKFSNL3038G SKFSYM2.15/16TF

231/800CA/W33球面滚子轴承近似的SKF轴承型号

SKF23160-2CS5K/VT143* SKF23120CC/W33* SKF23176CAK/W33+AOH3176G* SKF23152CCK/W33+AOH3152G* SKF22313E/VA405* SKF23168CCK/W33+AOH3168G* SKF231/630CA/W33 SKF231/800CAK/W33 SKF22311EK+AHX2311* SKF23132CCK/W33+H3132* SKF231/670CA/W33 SKF231/850CAK/W33+AOH31/850

用户关注最多的轴承狗热门型号

NSK  6912N INA  PCSLT20 FAG  SNV230-L + 222SM115-TVPA + DH526 STEYR  NJ256 SKF  305806C-2Z SNFA  71940C SKF  NJ18/1120ECMA MRC  NJ416 KOYO  NJ224E+HJ224E FAG  NJ2234-E-M1 FAG  AH3164G-H INA  LS7095 MRC  6000-RS STEYR  6007-2RS LYC  NU 324/P5

版权所有©2009-2015 轴承狗zcgou.com ICP备案:津ICP备14004550号-13